Grand Cherokee 4WD V6-3.7L (2009)

Fuel Pressure: Testing and Inspection
Checking the Fuel Delivery System
CHECKING THE FUEL DELIVERY SYSTEM
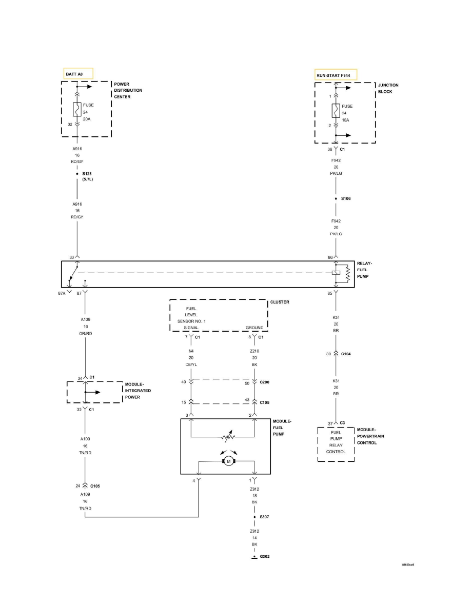
For a complete wiring diagram, refer to the Wiring Information See: Diagrams/Electrical Diagrams.
Fuel Pressure: Testing and Inspection
Checking the Fuel Delivery System
CHECKING THE FUEL DELIVERY SYSTEM
For a complete wiring diagram, refer to the Wiring Information See: Diagrams/Electrical Diagrams.