Jeep Workshop Service and Repair Manuals
HOME
FEATURES
MENU
INDEX
ABOUT US
Integrated Power Module (+)|Page 5257 >
< Junction Block - Removal|Page 5252
Grand Cherokee 4WD V6-3.7L (2009)
Starting and Charging
Power and Ground Distribution
Power Distribution Module
Component Information
Locations
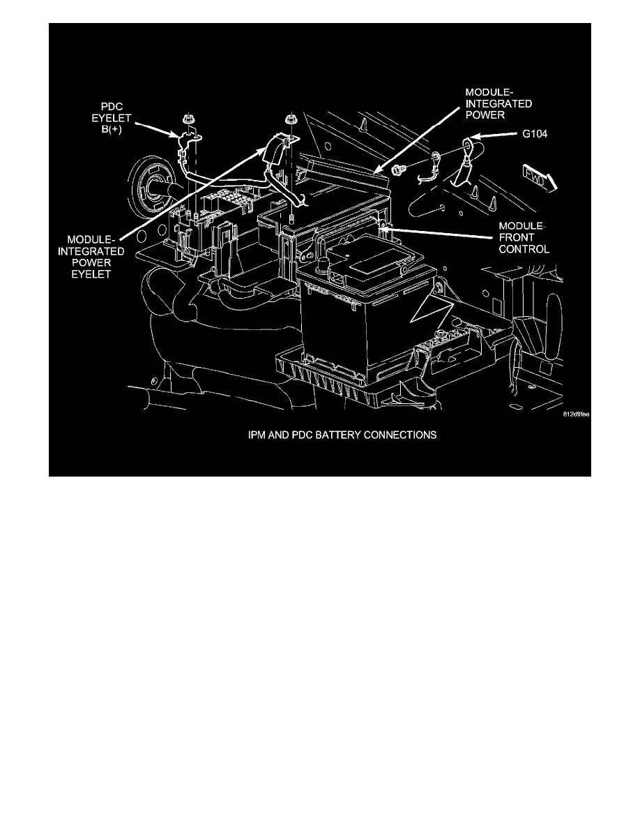
Integrated Power Module (+)
Page 1
Starting and Charging
Power and Ground Distribution
Power Distribution Module
Component Information
Locations
Integrated Power Module (+)
Integrated Power Module (+)|Page 5257 >
< Junction Block - Removal|Page 5252