Jeep Workshop Service and Repair Manuals
HOME
FEATURES
MENU
INDEX
ABOUT US
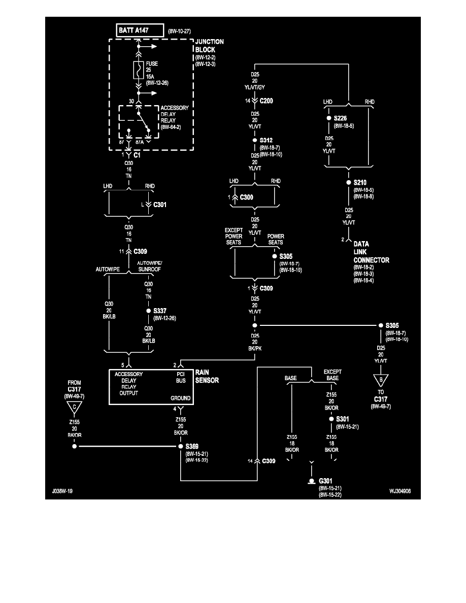
Diagram Information and Instructions|Page 7447 >
< Diagram Information and Instructions|Page 7445
Grand Cherokee 4WD V8-4.7L (2003)
Body and Frame
Interior Moulding / Trim
Console / Diagrams / Diagram Information and Instructions
Page 7446
Page 5
8w-49-6
Body and Frame
Interior Moulding / Trim
Console / Diagrams / Diagram Information and Instructions
Page 7446
Diagram Information and Instructions|Page 7447 >
< Diagram Information and Instructions|Page 7445