jeep Workshop Repair Guides

Jeep Workshop Service and Repair Manuals

Diagram Information and Instructions|Page 5501 > < Diagram Information and Instructions|Page 5499
Page 1
background image

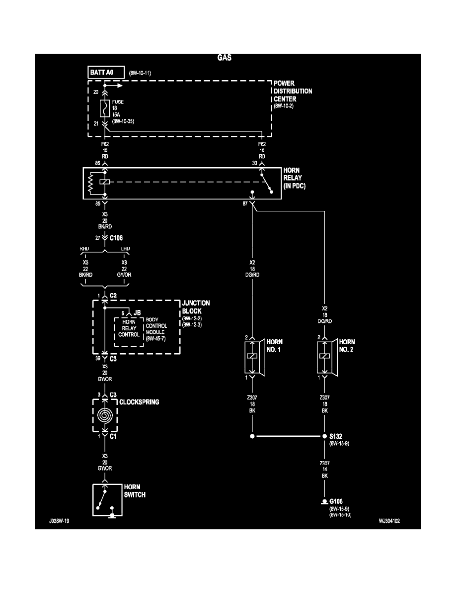
Auxiliary Power Outlet: Electrical Diagrams

PLEASE NOTE: Some diagram sheets may appear to be missing because of gaps in the number sequences.  These "gaps" are actually for diagrams that
do not apply to the vehicle model selected.

8w-41-2

Diagram Information and Instructions|Page 5501 > < Diagram Information and Instructions|Page 5499