Jeep Workshop Service and Repair Manuals
HOME
FEATURES
MENU
INDEX
ABOUT US
Diagram Information and Instructions|Page 2830 >
< Diagram Information and Instructions|Page 2828
Grand Cherokee 4WD V8-4.7L (2003)
Powertrain Management
Computers and Control Systems
Body Control Module / Component Information
Diagrams / Diagram Information and Instructions
Page 2829
Page 8
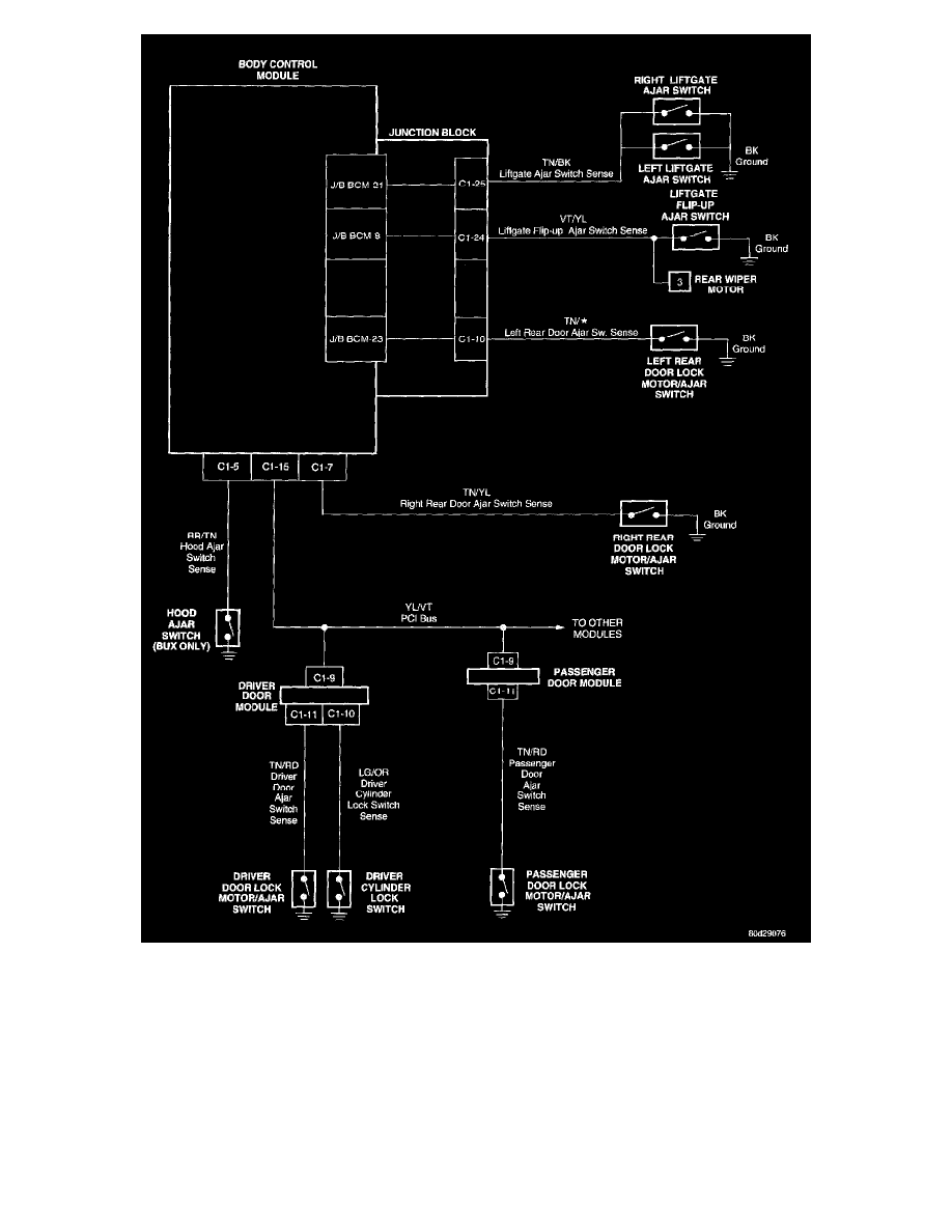
Door Ajar System
Powertrain Management
Computers and Control Systems
Body Control Module / Component Information
Diagrams / Diagram Information and Instructions
Page 2829
Diagram Information and Instructions|Page 2830 >
< Diagram Information and Instructions|Page 2828