Jeep Workshop Service and Repair Manuals
HOME
FEATURES
MENU
INDEX
ABOUT US
Diagram Information and Instructions|Page 3150 >
< Diagram Information and Instructions|Page 3148
Grand Cherokee 4WD V8-4.7L (2003)
Powertrain Management
Computers and Control Systems
Relays and Modules - Computers and Control Systems / Body Control Module / Component Information
Diagrams / Diagram Information and Instructions
Page 3149
Page 8
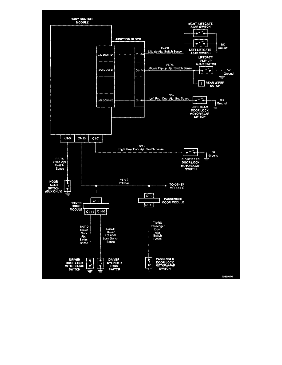
Door Ajar System
Powertrain Management
Computers and Control Systems
Relays and Modules - Computers and Control Systems / Body Control Module / Component Information
Diagrams / Diagram Information and Instructions
Page 3149
Diagram Information and Instructions|Page 3150 >
< Diagram Information and Instructions|Page 3148