Jeep Workshop Service and Repair Manuals
HOME
FEATURES
MENU
INDEX
ABOUT US
Diagram Information and Instructions|Page 878 >
< Diagram Information and Instructions|Page 876
Grand Cherokee 4WD V8-4.7L (2003)
Sensors and Switches
Sensors and Switches - Lighting and Horns
Door Switch / Component Information
Diagrams / Diagram Information and Instructions
Page 877
Page 1
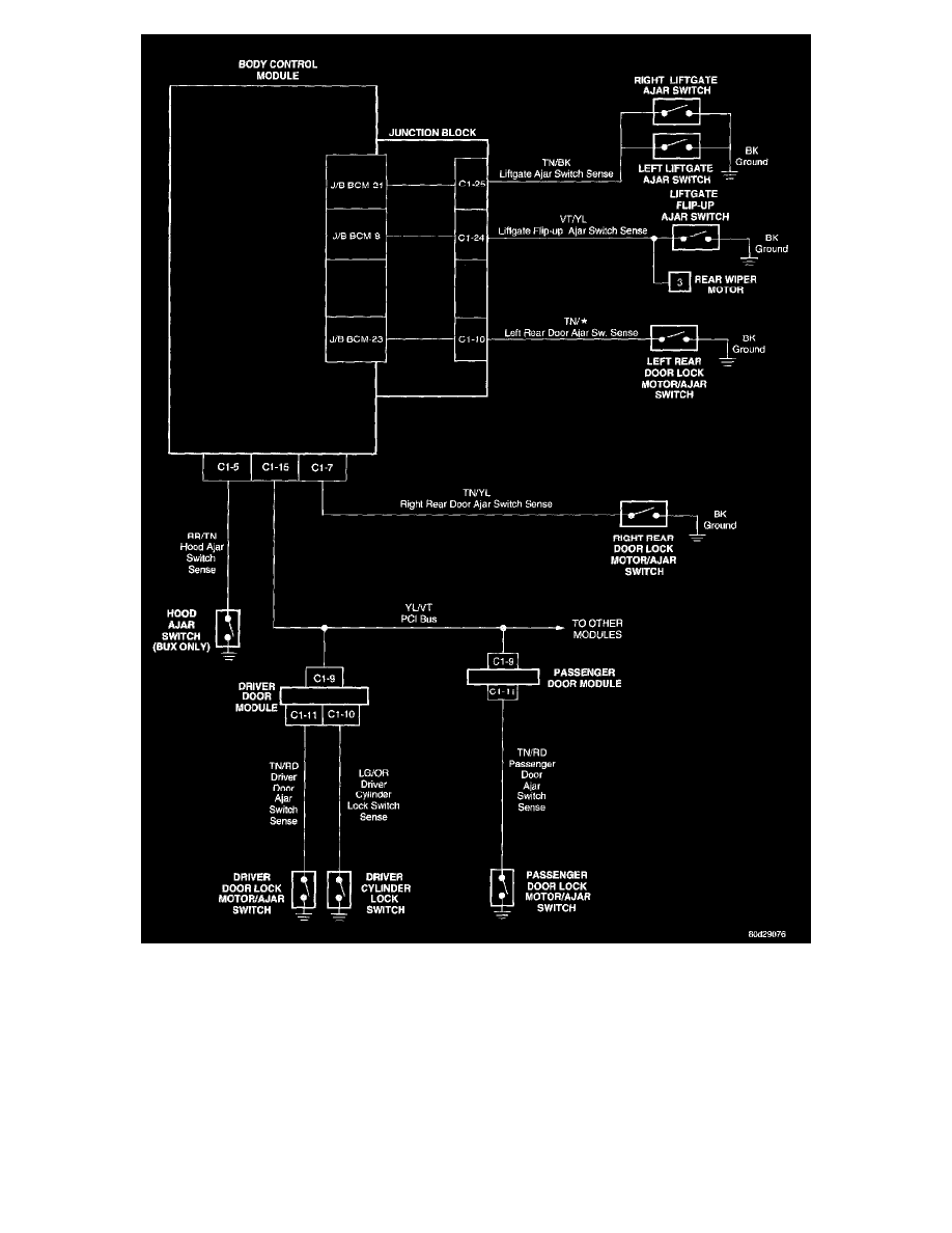
Door Ajar System
Sensors and Switches
Sensors and Switches - Lighting and Horns
Door Switch / Component Information
Diagrams / Diagram Information and Instructions
Page 877
Diagram Information and Instructions|Page 878 >
< Diagram Information and Instructions|Page 876