Jeep Workshop Service and Repair Manuals
HOME
FEATURES
MENU
INDEX
ABOUT US
Diagram Information and Instructions|Page 5915 >
< Diagram Information and Instructions|Page 5913
Grand Cherokee 4WD V8-5.2L VIN Y (1998)
Starting and Charging
Power and Ground Distribution
Fuse / Component Information
Diagrams / Diagram Information and Instructions
Page 5914
Page 2
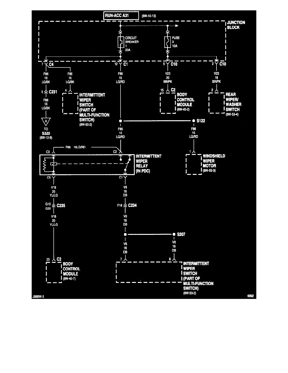
Junction Block (Part 2 Of 22)
Starting and Charging
Power and Ground Distribution
Fuse / Component Information
Diagrams / Diagram Information and Instructions
Page 5914
Diagram Information and Instructions|Page 5915 >
< Diagram Information and Instructions|Page 5913