Jeep Workshop Service and Repair Manuals
HOME
FEATURES
MENU
INDEX
ABOUT US
Diagram Information and Instructions|Page 5947 >
< Diagram Information and Instructions|Page 5945
Grand Cherokee 4WD V8-5.2L VIN Y (1998)
Starting and Charging
Power and Ground Distribution
Fuse / Component Information
Diagrams / Diagram Information and Instructions
Page 5946
Page 34
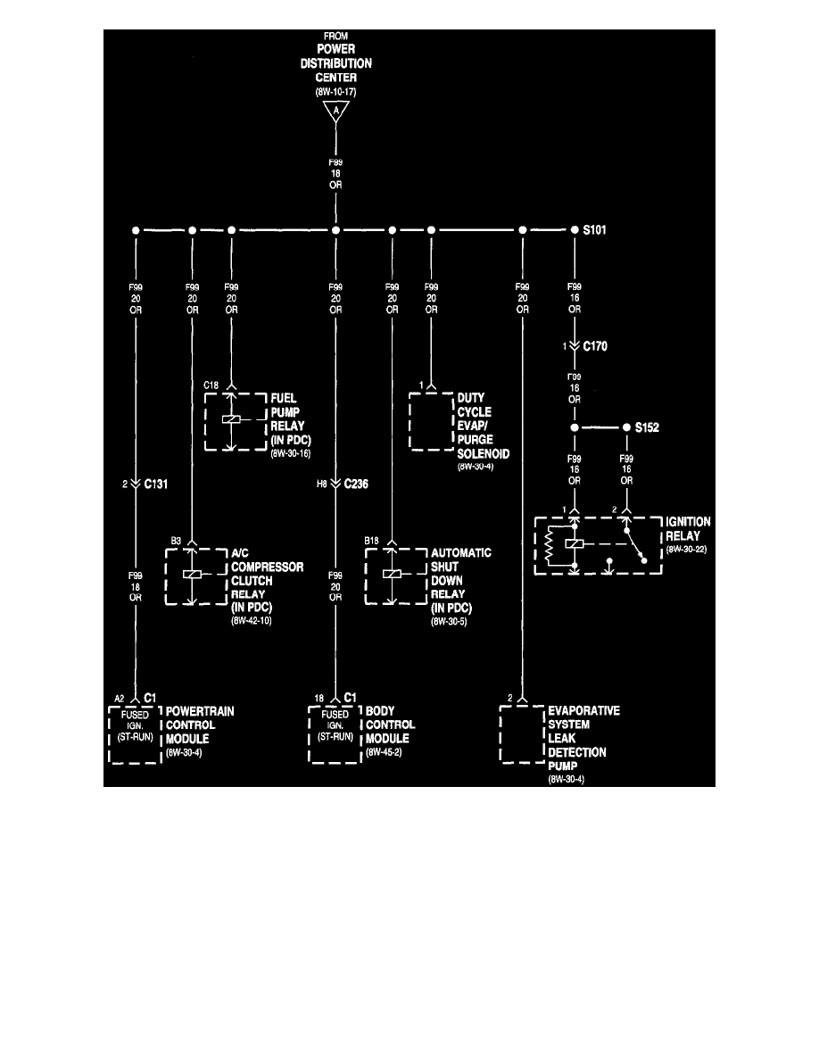
Power Distribution (Part 12 Of 14)
Starting and Charging
Power and Ground Distribution
Fuse / Component Information
Diagrams / Diagram Information and Instructions
Page 5946
Diagram Information and Instructions|Page 5947 >
< Diagram Information and Instructions|Page 5945