Jeep Workshop Service and Repair Manuals
HOME
FEATURES
MENU
INDEX
ABOUT US
Diagram Information and Instructions|Page 3112 >
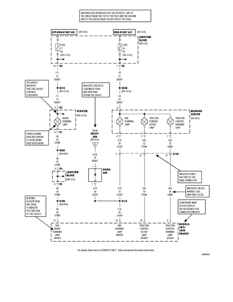
< Diagram Information and Instructions
Patriot 4WD L4-2.0L (2008)
Powertrain Management
Computers and Control Systems
Information Bus / Diagrams / Diagram Information and Instructions
Page 3111
Page 2
Powertrain Management
Computers and Control Systems
Information Bus / Diagrams / Diagram Information and Instructions
Page 3111
Diagram Information and Instructions|Page 3112 >
< Diagram Information and Instructions