Freelander System Description and Operation
COOLING SYSTEM - K SERIES KV6
26-3-4
DESCRIPTION AND OPERATION
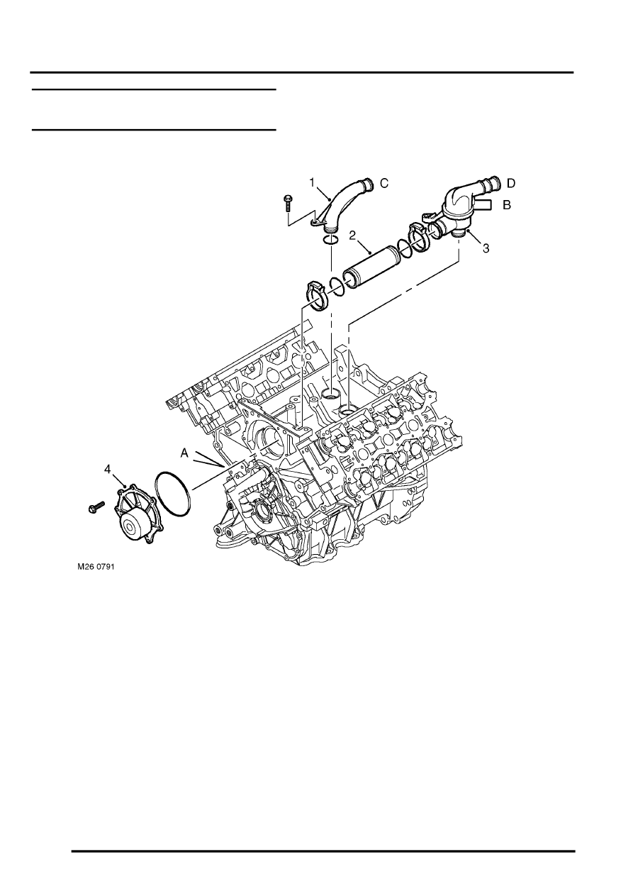
Cooling System Component Layout -
Sheet 2 of 2
For connections A to D, see sheet 1
1 Outlet elbow
2 Pipe - thermostat to pump
3 Thermostat housing assembly
4 Coolant pump
