Land Rover Workshop Service and Repair Manuals
HOME
FEATURES
MENU
INDEX
ABOUT US
KV6 Engine – Cylinder Block Components|Page 13 >
< KV6 Engine – Internal View
Freelander System Description and Operation
ENGINE - K SERIES KV6
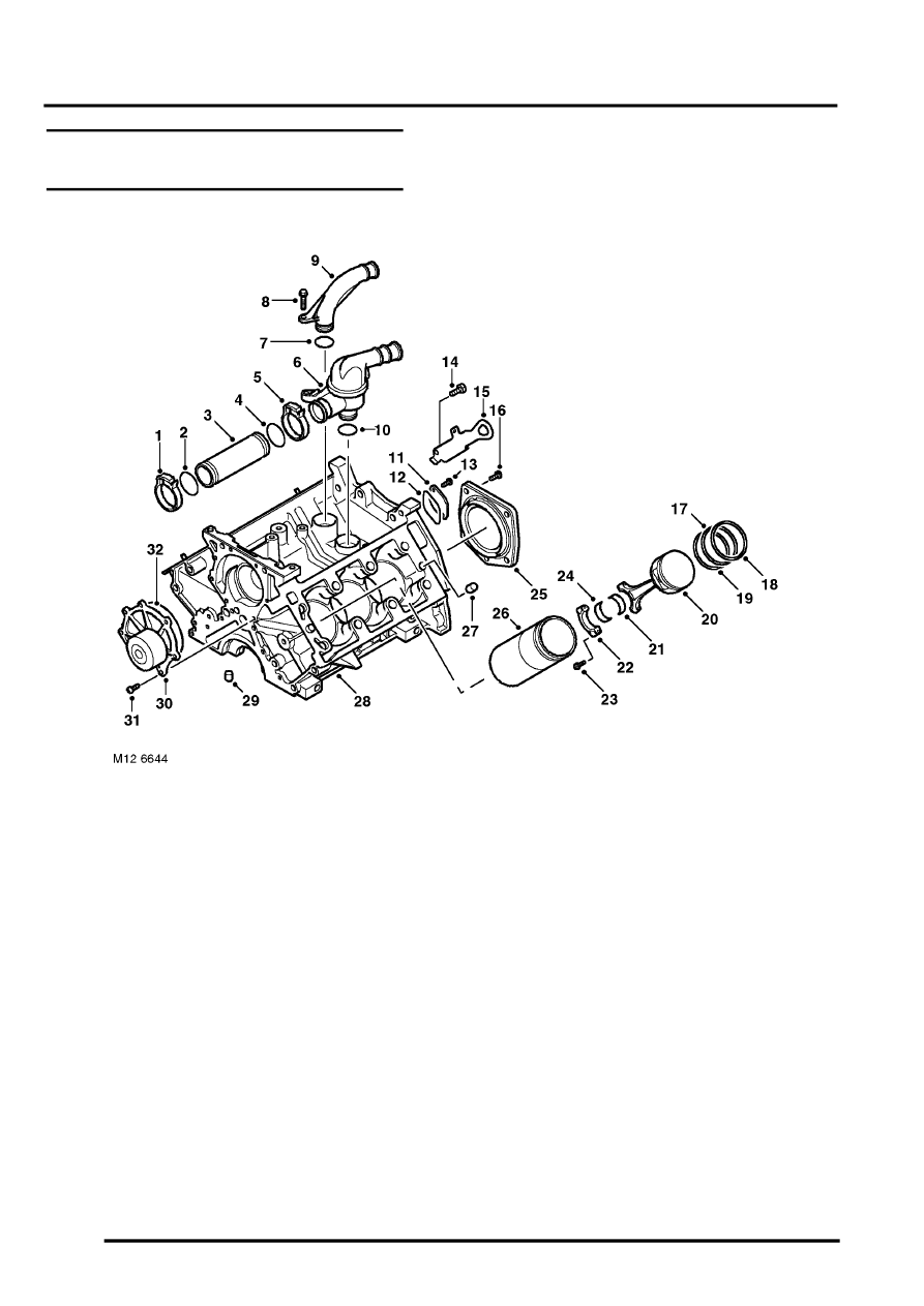
KV6 Engine – Cylinder Block Components
Page 11
ENGINE - K SERIES KV6
12-3-4
DESCRIPTION AND OPERATION
KV6 Engine – Cylinder Block
Components
ENGINE - K SERIES KV6
KV6 Engine – Cylinder Block Components
KV6 Engine – Cylinder Block Components|Page 13 >
< KV6 Engine – Internal View