Land Rover Workshop Service and Repair Manuals
HOME
FEATURES
MENU
INDEX
ABOUT US
Brake Lamp|Diagrams >
< Diagram Information and Instructions|Page 7808
LR3 (LA) V8-4.4L (2009)
Lighting and Horns
Brake Lamp
Component Information
Locations
Page 1
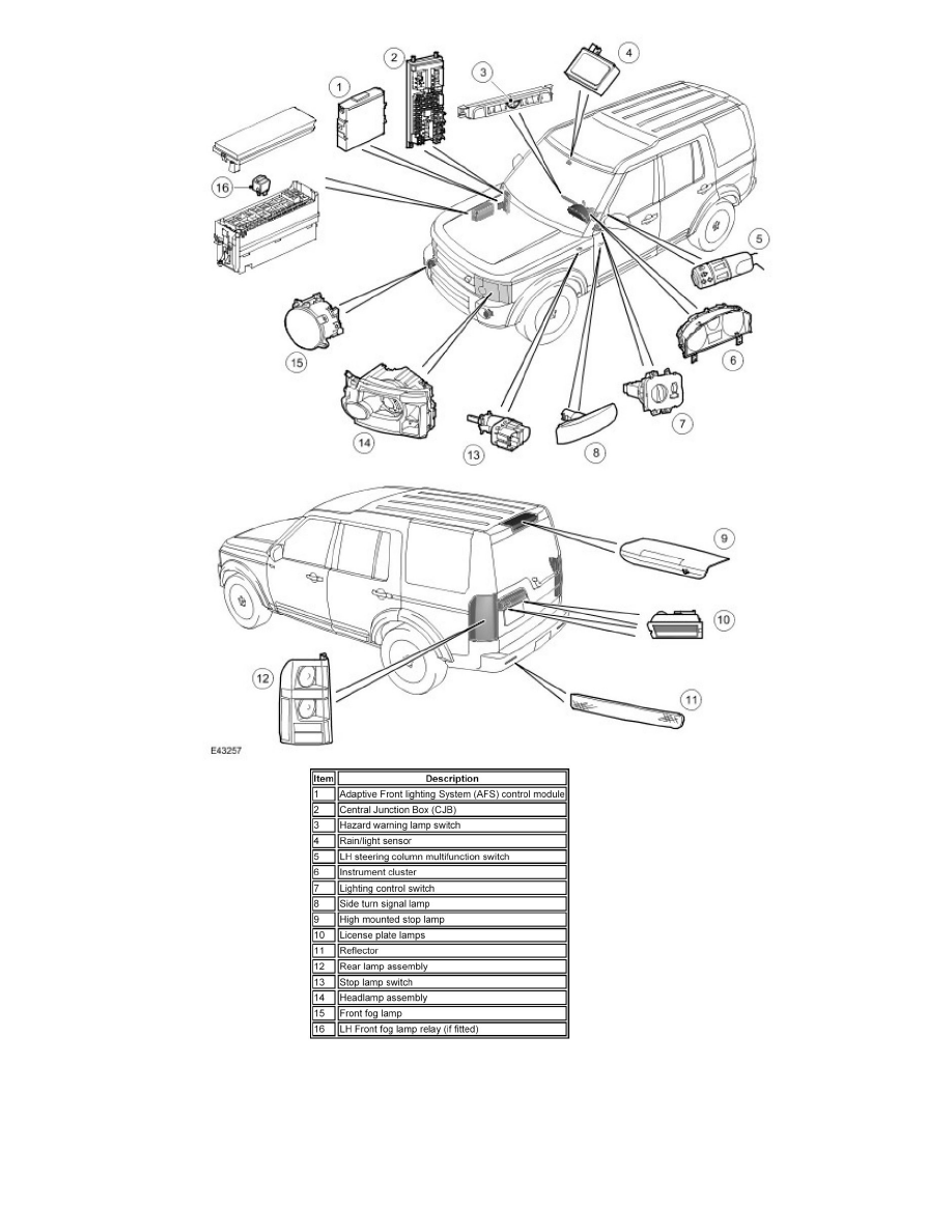
Exterior Lighting Component Location
Lighting and Horns
Brake Lamp
Component Information
Locations
Brake Lamp|Diagrams >
< Diagram Information and Instructions|Page 7808