Land Rover Workshop Service and Repair Manuals
HOME
FEATURES
MENU
INDEX
ABOUT US
Cornering Lamp|Diagrams >
< Center Mounted Brake Lamp|Service and Repair|Page 13029
LR3 (LA) V8-4394cc 4.4L (2005)
Lighting and Horns
Cornering Lamp
Component Information
Locations
Page 1
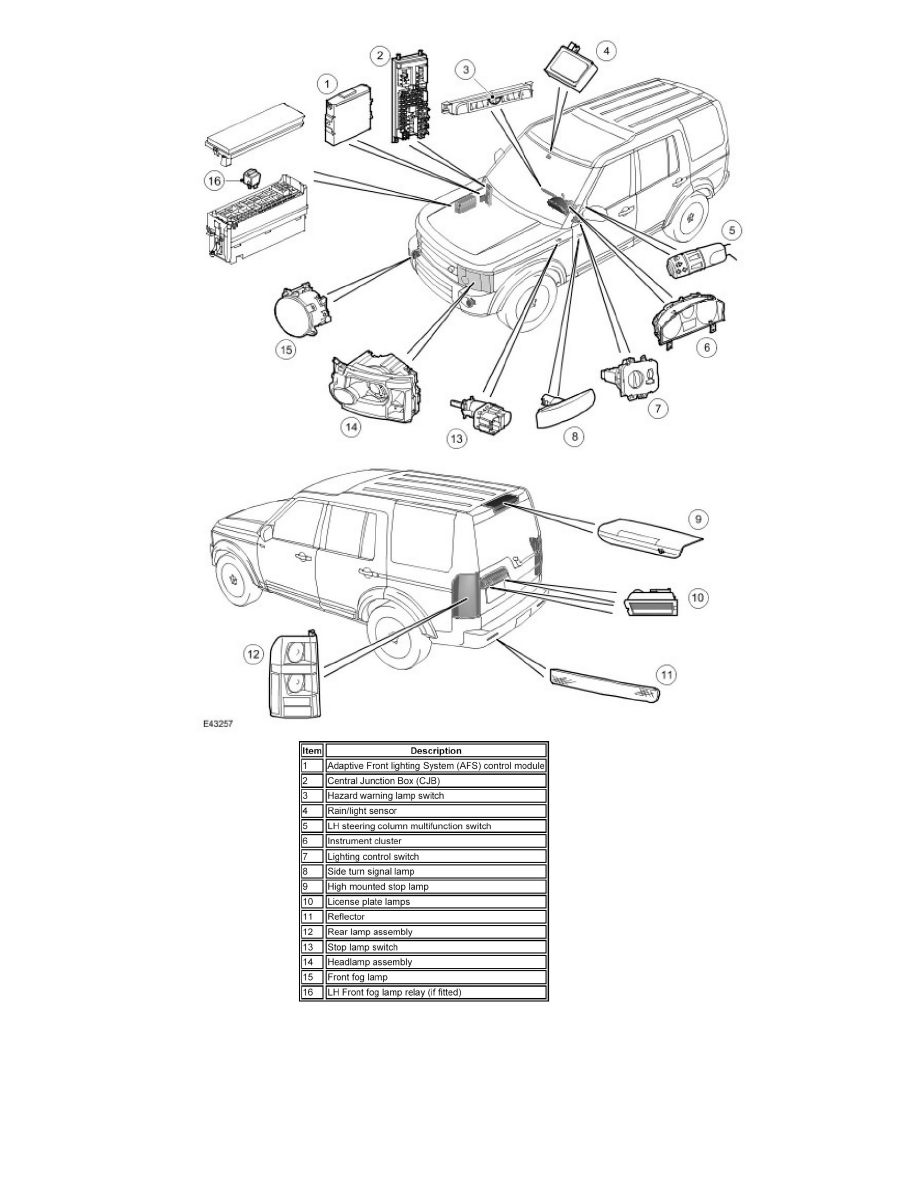
Exterior Lighting Component Location
Lighting and Horns
Cornering Lamp
Component Information
Locations
Cornering Lamp|Diagrams >
< Center Mounted Brake Lamp|Service and Repair|Page 13029