Land Rover Workshop Service and Repair Manuals
HOME
FEATURES
MENU
INDEX
ABOUT US
Component Locations|Page 13603 >
< Trailer Lighting Relay|Locations|Page 13597
LR3 (LA) V8-4394cc 4.4L (2005)
Lighting and Horns
Sensors and Switches - Lighting and Horns
Brake Light Switch
Component Information
Locations
Component Locations
Page 1
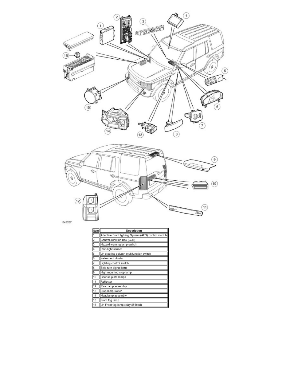
Exterior Lighting Component Location
Lighting and Horns
Sensors and Switches - Lighting and Horns
Brake Light Switch
Component Information
Locations
Component Locations
Component Locations|Page 13603 >
< Trailer Lighting Relay|Locations|Page 13597