Range Rover P38
26
COOLING SYSTEM
NEW RANGE ROVER
4
REPAIR
WATER PUMP
Service repair no - 26.50.01
Remove
1. Remove radiator assembly.
See this section.
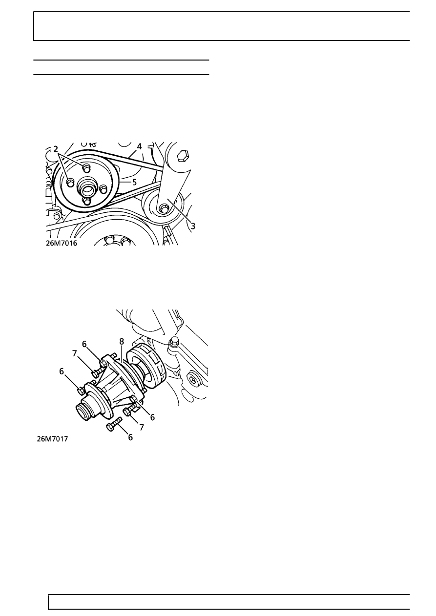
2. Slacken 4 water pump pulley bolts.
3. Release tension from auxiliary drive belt.
4. Release belt from water pump pulley.
5. Remove pulley bolts. Remove pulley.
6. Remove 4 bolts securing water pump.
7. Fit 2 M6 bolts into tapped holes of water pump.
Extract pump.
8. Remove ’O’ ring and extraction bolts.
Refit
9. Ensure mating faces are clean.
10. Lubricate ’O’ ring with petroleum jelly. Fit to
water pump.
11. Fit water pump. Secure with bolts. Tighten to
10 Nm (7 lbf.ft)
12. Fit water pump pulley. Secure with bolts. Tighten
to
10 Nm (7 lbf.ft)
13. Rotate tensioner. Fit auxiliary drive belt.
14. Fit radiator assembly.
See this section.
