landrover Workshop Repair Guides

Land Rover Workshop Service and Repair Manuals

DESCRIPTION|Page 412 > < DESCRIPTION|Page 410
Page 254
background image

BORG WARNER

3

DESCRIPTION AND OPERATION

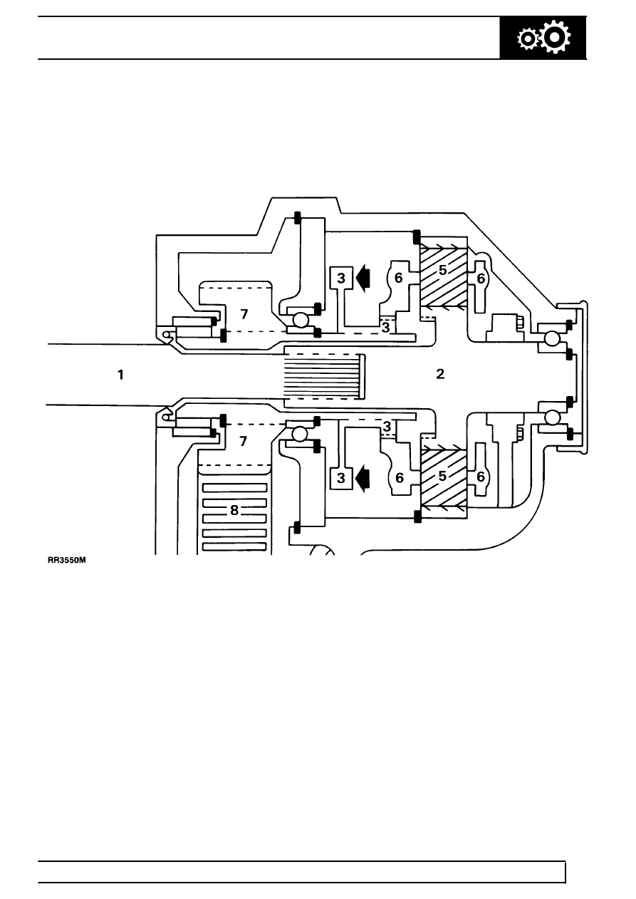
Low ratio

In low gear the selector sleeve 3 connects with the
planet carrier 6 and planet gears 5 to provide low
ratio.

DESCRIPTION|Page 412 > < DESCRIPTION|Page 410