CL 500 (140.070) V8-5.0L (119.980) (1999)
Catalytic Converter: Description and Operation
ME-SFI TWC Heating-Up Function
ME-SFI TWC Heating-up Function
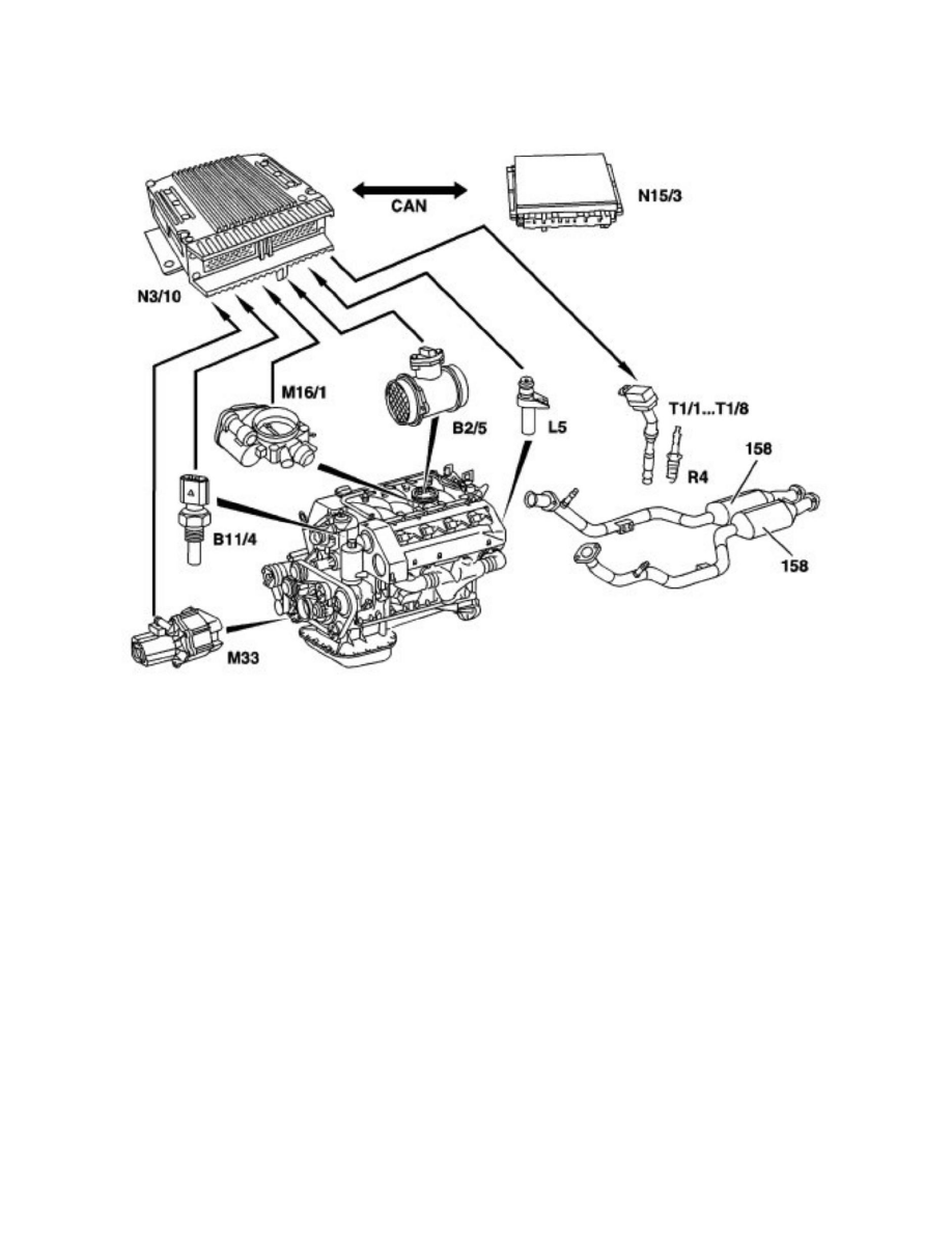
Shown on Engine 119
158
Catalytic converter
B2/5
Hot film mass air flow sensor
B11/4
Coolant temperature sensor
L5
Crankshaft position sensor
M16/1
Electronic accelerator (EA)/ cruise control (CC)/ idle speed control (ISC) actuator
M33
AIR pump
N3/10
ME-SFI control unit
N15/3
ETC control unit
R4
Spark plugs
T1/1-T1/8 Ignition coils
CAN
Data bus
The heating-up of the TWC is designed to heat up the catalytic converter more rapidly to its operating temperature and thus to sharply reduce the exhaust
emissions.
The following systems are involved:
- Ignition system: In the idle speed and in line with coolant temperature, the ignition angle is retarded for e.g. approx. 20 seconds and the exhaust
temperature thus increased.
- Idle speed control: In idle and depending on the coolant temperature the idle speed is increased to 1150 to 1500 rpm.
- Transmission shift delay: Coolant temperature dependent, is later upshifted on automatic transmission.
- Air injection After starting and during warm-up, the enriched mixture results in more unburned hydrocarbons in the exhaust. The injected air causes
post-oxidation in the three way catalytic converter. This results in the release of heat that brings the three way catalytic converter quickly to operating
temperature.
