CL 500 (140.070) V8-5.0L (119.980) (1999)
Design/function
When the catalytic converter is at operating temperature and the lambda closed-loop control is activated, the O2 sensor signal downstream of TWC is
compared with the O2 sensor signal upstream of TWC. The amplitude of the O2sensor voltage downstream of TWC must be less than the amplitude of
the O2sensor voltage upstream of TWC (Note: E.g. if no monolith was built into the catalytic converter, the O2sensor signals upstream or downstream
TWC would be identical).
The catalytic converter is evaluated on the basis of its ability to store oxygen. Several measurements must be performed in the specified engine speed and
load range. The results are compared with a map and a fault is detected in this way.
ME-SFI TWC Heating-Up Function
ME-SFI TWC Heating-up Function
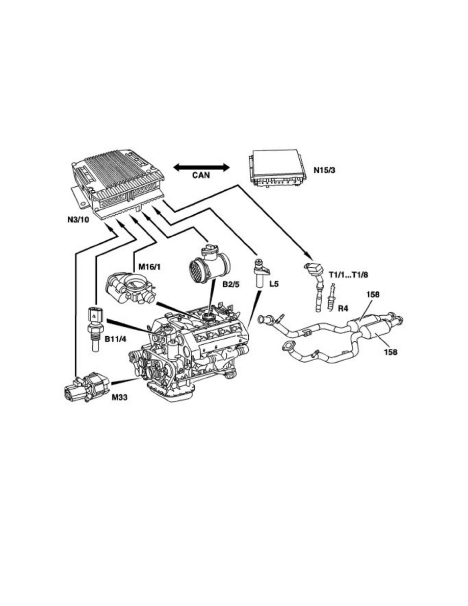
Shown on Engine 119
158
Catalytic converter
B2/5
Hot film mass air flow sensor
B11/4
Coolant temperature sensor
L5
Crankshaft position sensor
M16/1
Electronic accelerator (EA)/ cruise control (CC)/ idle speed control (ISC) actuator
M33
AIR pump
N3/10
ME-SFI control unit
N15/3
ETC control unit
R4
Spark plugs
T1/1-T1/8 Ignition coils
CAN
Data bus
The heating-up of the TWC is designed to heat up the catalytic converter more rapidly to its operating temperature and thus to sharply reduce the exhaust
emissions.
The following systems are involved:
- Ignition system: In the idle speed and in line with coolant temperature, the ignition angle is retarded for e.g. approx. 20 seconds and the exhaust
temperature thus increased.
