CL 500 (140.070) V8-5.0L (119.980) (1999)
Knock Sensor: Description and Operation
Anti-Knock Control Function
Anti-knock Control Function
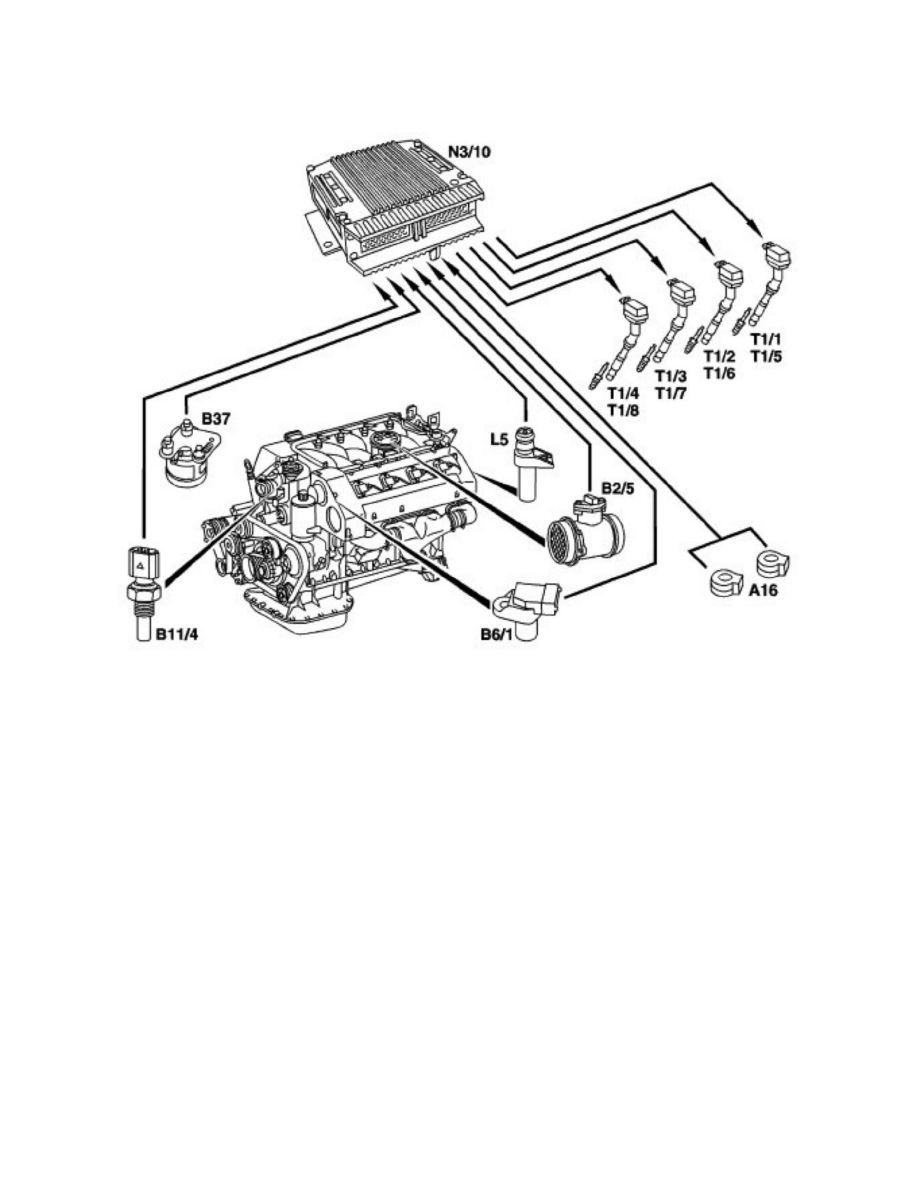
Shown on Engine 119
A16
Knock sensors
B2/5
Hot film mass air flow sensor
B6/1
Camshaft Hall sensor
B11/4
Coolant temperature sensor
B37
Accelerator pedal sensor
L5
Crankshaft position sensor
N3/10
ME-SFI control unit
T1/1-T1/8 Ignition coils, cylinders 1 to 8
Task
Ensuring knock-free operation of the engine with different fuels in all operating conditions from idling speed up to maximum speed of engine, from an
engine load of more than approx. 40%. For this purpose, if uncontrolled combustion (knocking) occurs, the ignition angle at the relevant cylinder or
cylinders is retarded.
Design/function
The anti-knock control (AKC) function is integrated in the ME-SFI control unit. The range of functions has been enlarged compared to previous
versions.
Input signals:
- Engine speed (crankshaft position sensor)
- Camshaft position (camshaft Hall sensor)
- Knock identification:
Engine 104, 111, 112, 113, 119, 120 by means of knock sensors
Engine 137 by ionic current measurement
- Engine temperature (coolant temperature sensor)
- Engine load (hot film air flow sensor or pressure sensor on supercharged engines)
- Accelerator pedal position (accelerator pedal sensor)
- Precontrol by means of automatic RON switch (internal)
