CL 500 (140.070) V8-5.0L (119.980) (1999)
Crankshaft Position Sensor: Description and Operation
Crankshaft Position Sensor, Location/Task/Design/Function
Crankshaft Position Sensor, Location
Crankshaft Position Sensor, Position
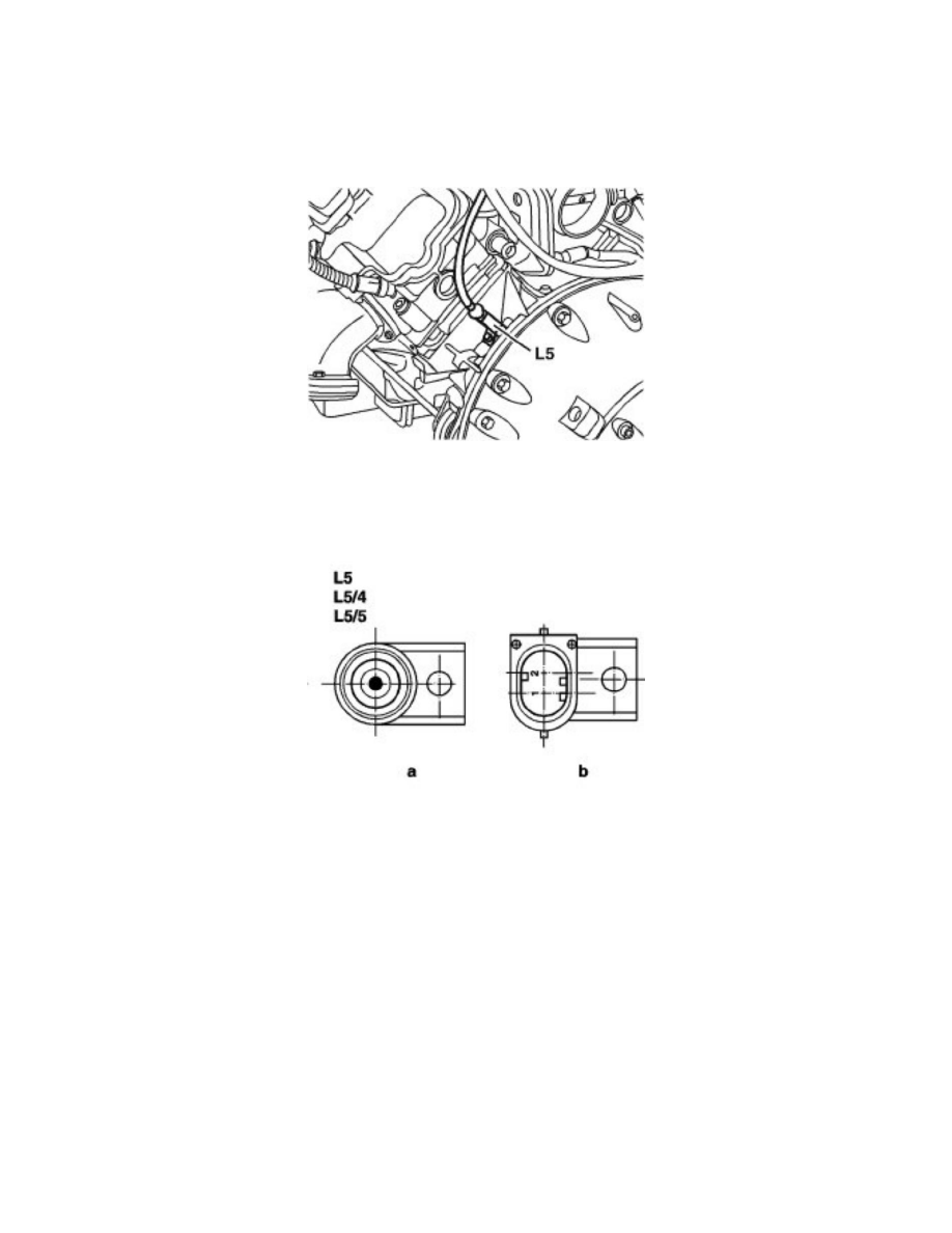
L5
Crankshaft position sensor
Crankshaft Position Sensor, Task
Crankshaft Position Sensor, Task
L5
Crankshaft position sensor
L5/4
Left crankshaft position sensor (engine 120)
L5/5
Right crankshaft position sensor (engine 120)
a
with 2-pin coax-plug contact
b
with 2-pin flat connector
Detects the position of the crankshaft and the engine speed in a non-contact manner over the teeth of the drive plate
Crankshaft Position Sensor, Design
Crankshaft Position Sensor, Design
