mercedesbenz Workshop Repair Guides

Mercedes Benz Workshop Service and Repair Manuals

Knock Sensors, Location/Task/Design/Function|Page 2889 > < Knock Sensors, Location/Task/Design/Function|Page 2887
Page 1
background image

Knock Sensor: Description and Operation
Anti-Knock Control Function

Anti-knock Control Function

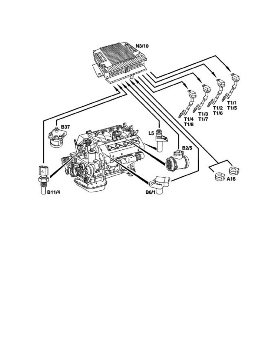
Shown on Engine 119 
A16 

Knock sensors 

B2/5 

Hot film mass air flow sensor 

B6/1 

Camshaft Hall sensor 

B11/4 

Coolant temperature sensor 

B37 

Accelerator pedal sensor 

L5 

Crankshaft position sensor 

N3/10 

ME-SFI control unit 

T1/1-T1/8  Ignition coils, cylinders 1 to 8

Task 
Ensuring knock-free operation of the engine with different fuels in all operating conditions from idling speed up to maximum speed of engine, from an
engine load of more than approx. 40%. For this purpose, if uncontrolled combustion (knocking) occurs, the ignition angle at the relevant cylinder or
cylinders is retarded. 

Design/function 
The anti-knock control (AKC) function is integrated in the ME-SFI control unit. The range of functions has been enlarged compared to previous
versions. 
Input signals: 
- Engine speed (crankshaft position sensor) 
- Camshaft position (camshaft Hall sensor) 
- Knock identification: 

Engine 104, 111, 112, 113, 119, 120 by means of knock sensors 
Engine 137 by ionic current measurement 

- Engine temperature (coolant temperature sensor) 
- Engine load (hot film air flow sensor or pressure sensor on supercharged engines) 
- Accelerator pedal position (accelerator pedal sensor) 
- Precontrol by means of automatic RON switch (internal) 

Knock Sensors, Location/Task/Design/Function|Page 2889 > < Knock Sensors, Location/Task/Design/Function|Page 2887