mercedesbenz Workshop Repair Guides

Mercedes Benz Workshop Service and Repair Manuals

O2 Sensors, Location/Task/Design/Function|Page 2906 > < O2 Sensors, Location/Task/Design/Function|Page 2904
Page 1
background image

Oxygen Sensor: Description and Operation
ME-SFI Lambda Control Function

ME-SFI Lambda Control Function

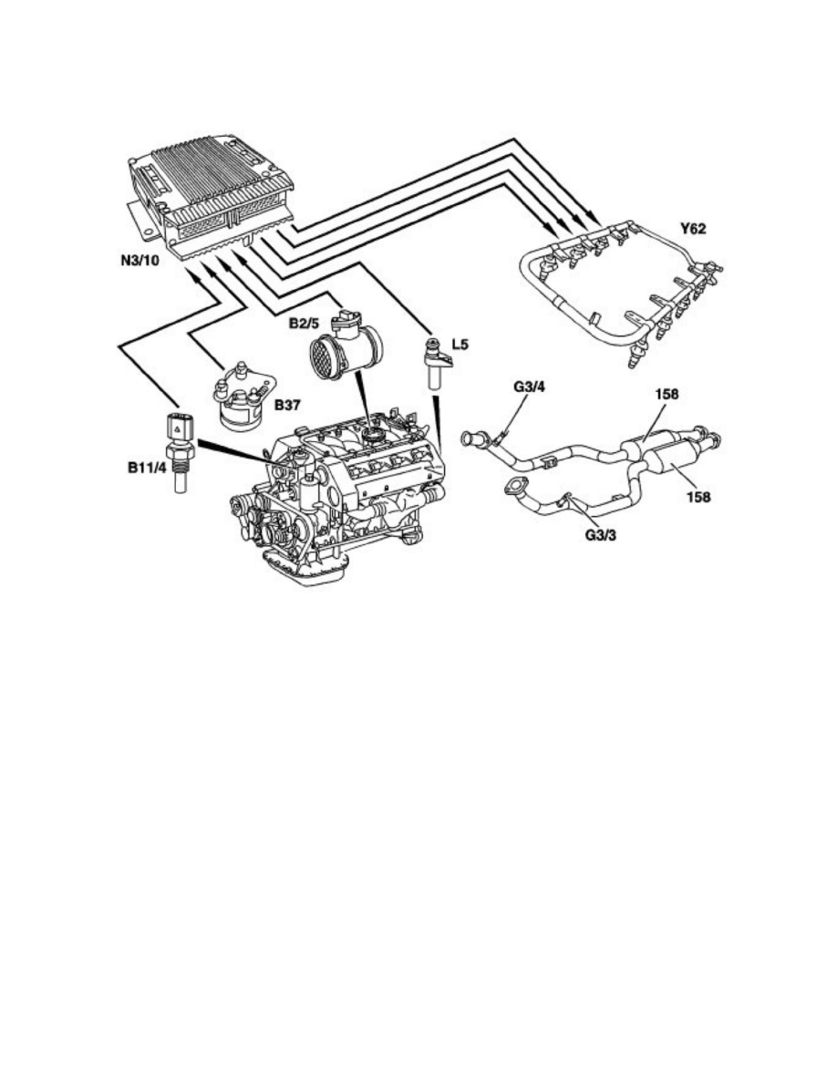
Shown on Engine 119 
158 

Three-way catalytic converter 

B2/5 

Hot film mass air flow sensor 

B11/4 

Coolant temperature sensor 

B37 

Accelerator pedal sensor 

G3/3 

Left O2 sensor upstream of TWC 

G3/4 

Right O2 sensor, upstream of TWC 

N3/10 

ME-SFI control unit 

Y62 

Injectors (LH-SFI, HFM-SFI, PEC [LH, HFM, PMS]) 

The mixture composition is maintained within the narrowest possible limits around  lambda = 1 in order to achieve a high conversion of the exhaust
gases in the catalytic converter.

The O2 sensor reacts to the oxygen concentration in the exhaust and transmits the corresponding voltage signal to the ME-SFI control unit for fuel
injection, which thereupon alters the mixture composition in such a way as to produce a mixture composition of lambda = 1 in all operating states when
the lambda closed-loop control is active. This procedure is constantly repeated (control loop), the frequency is dependent on engine load and speed. The
ME-SFI control unit alters the mixture composition with a time delay in order to prevent any risk of jerking.   The lambda closed-loop control is
operational in the following conditions (closed-loop control): 
- Coolant temperature > 52° C 
- O2 sensors have reached operating temperature 
- Idle speed/part load 
- Deceleration fuel shutoff not active. 
 

O2 Sensors, Location/Task/Design/Function|Page 2906 > < O2 Sensors, Location/Task/Design/Function|Page 2904