CL 500 (140.070) V8-5.0L (119.980) (1999)
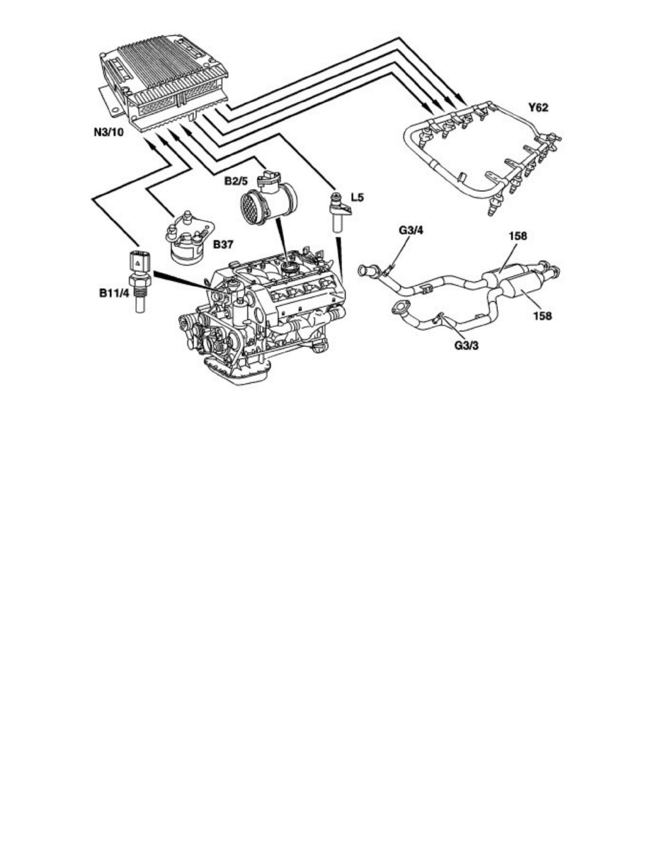
Shown on Engine 119
158
Three-way catalytic converter
B2/5
Hot film mass air flow sensor
B11/4
Coolant temperature sensor
B37
Accelerator pedal sensor
G3/3
Left O2 sensor upstream of TWC
G3/4
Right O2 sensor, upstream of TWC
N3/10
ME-SFI control unit
Y62
Injectors (LH-SFI, HFM-SFI, PEC [LH, HFM, PMS])
The mixture composition is maintained within the narrowest possible limits around lambda = 1 in order to achieve a high conversion of the exhaust
gases in the catalytic converter.
The O2 sensor reacts to the oxygen concentration in the exhaust and transmits the corresponding voltage signal to the ME-SFI control unit for fuel
injection, which thereupon alters the mixture composition in such a way as to produce a mixture composition of lambda = 1 in all operating states when
the lambda closed-loop control is active. This procedure is constantly repeated (control loop), the frequency is dependent on engine load and speed. The
ME-SFI control unit alters the mixture composition with a time delay in order to prevent any risk of jerking. The lambda closed-loop control is
operational in the following conditions (closed-loop control):
- Coolant temperature > 52° C
- O2 sensors have reached operating temperature
- Idle speed/part load
- Deceleration fuel shutoff not active.
