CL 500 (140.070) V8-5.0L (119.980) (1999)
Intake Air Temperature Sensor: Description and Operation
Intake Air Temperature Correction Function
Intake Air Temperature Correction Function
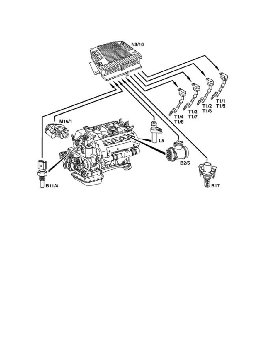
Shown on Engine 119
B2/5
Hot film MAFsensor
B11/4
Coolant temperature sensor
B17
Intake air temperature sensor
L5
Crankshaft position sensor
M16/1
Electronic accelerator (EA)/ cruise control (CC)/ idle speed control (ISC) actuator
N3/10
ME-SFI control unit
T1/1-T1/8 Ignition coils, cylinder 1 to 8
Task
Reducing the thermal stresses on the engine at high temperatures.
Design/function
The ignition timing point is retarded by the ME-SFI control unit in line with the intake air temperature (charge air temperature in the case of
supercharged engines) and "load" (engine speed and air mass).
The ignition timing point is retarded only if the engine is operating at a high load and begins from an intake air temperature of approx. +35 °C and
reaches its maximum at approx. +65 °C.
Example for full load:
35 °C --> (retarded 3.5° crank angle)
45 °C --> (retarded 6.3° crank angle)
65 °C --> (retarded 9.5° crank angle)
The following information is processed in the ME-SFI control unit:
- Intake air temperature (charge air temperature in supercharged engines)
- Engine speed/crankshaft position/ignition circuit detection
- Throttle valve position
