CL 600 (140.076) V12-6.0L (120.982) (1998)
Accelerator Pedal Position Sensor: Locations
Electronic Accelerator, Location/Design/Function
Electronic Accelerator, Location/Design/Function
ENGINE 120.982 in MODEL 140.056 /057 /076
ENGINE 120.983 in MODEL 129.076
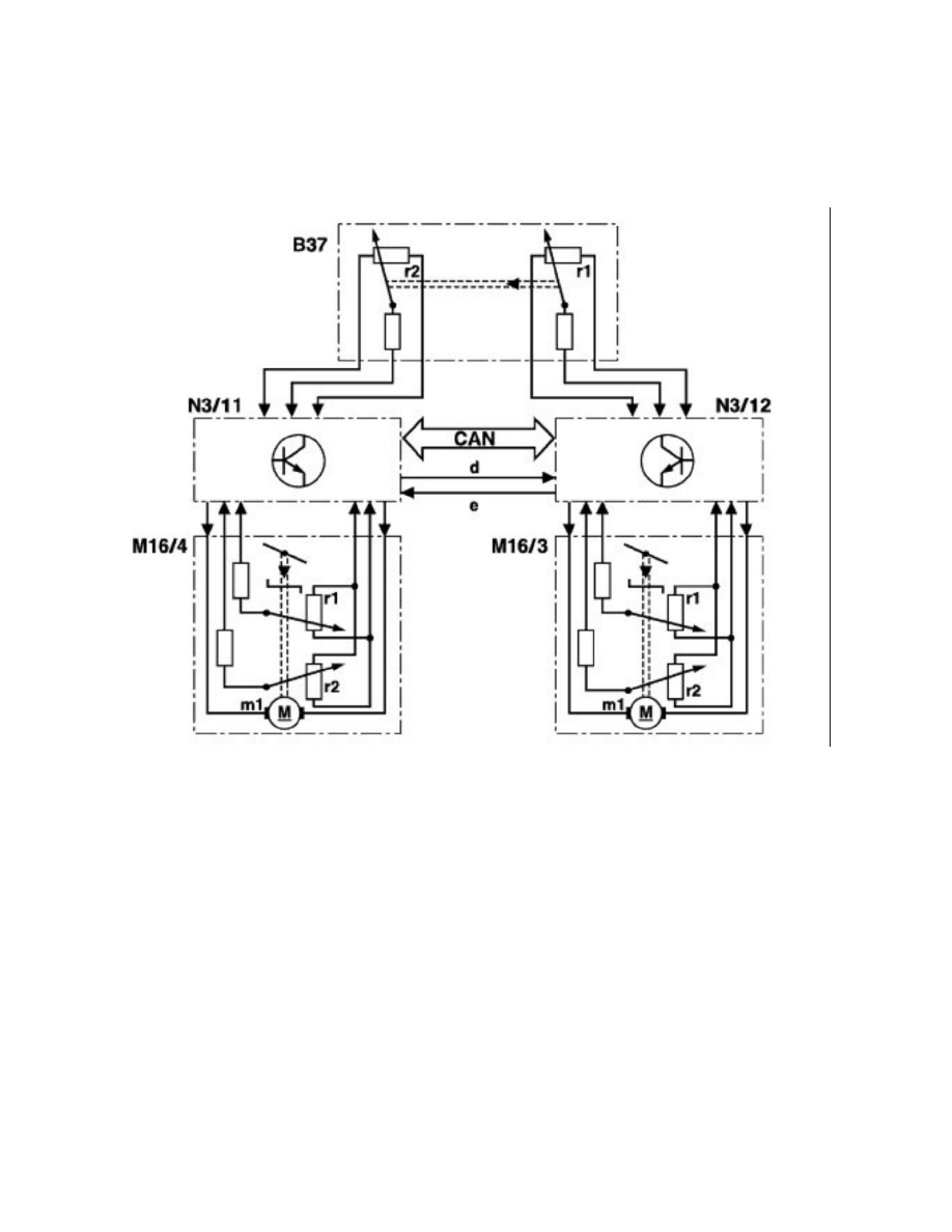
B37
Pedal value sensor
B37r1
Set point potentiometer 1
B37r2
Set point potentiometer 2
M16/3
Right EA/CC/ISC actuator
M16/3m1 Servo motor
M16/3r1 Actual value potentiometer 1
M16/3r2 Actual value potentiometer 2
M16/4
Left EA/CC/ISC actuator
M16/4m1 Servo motor
M16/4r1 Actual value potentiometer 1
M16/4r2 Actual value potentiometer 2
N3/11
Left ME-SFI control module
N3/12
Right ME-SFI control module
CAN
Controller Area Network databus
d, e
Closed throttle position information
The electronic accelerator EA function in the ME-SFI control module determines the opening angle of the throttle valve through the EA/CC/ISC
actuators.
Further functions are:
- Idle speed control
- Cruise control mode
- 30 km/h limit
- Reducing engine torque for ESP mode
