Mercedes Benz Workshop Service and Repair Manuals
HOME
FEATURES
MENU
INDEX
ABOUT US
Diagram Information and Instructions|Page 3778 >
< Diagram Information and Instructions|Page 3776
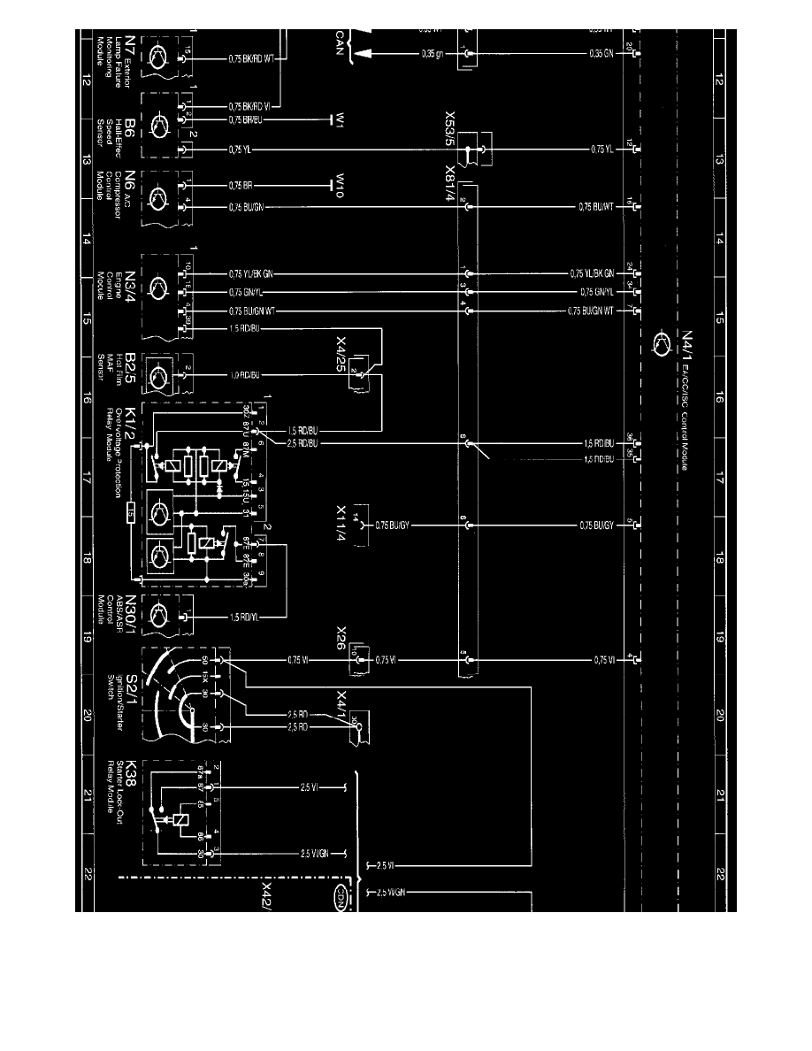
E 320 Coupe (124.052) L6-3.2L (104.992) (1994)
Powertrain Management
Computers and Control Systems
Relays and Modules - Computers and Control Systems
Electronic Throttle Control Module / Component Information
Diagrams / Diagram Information and Instructions
Page 3777
Page 6
Powertrain Management
Computers and Control Systems
Relays and Modules - Computers and Control Systems
Electronic Throttle Control Module / Component Information
Diagrams / Diagram Information and Instructions
Page 3777
Diagram Information and Instructions|Page 3778 >
< Diagram Information and Instructions|Page 3776