S 430 4MATIC (220.183) V8-4.3L (113.948) (2003)
G3/2
O2 sensor upstream of TWC Engine 111, 104
G3/3
Left O2 sensor upstream of TWC Engine 112, 113, 119, 120
G3/4
Right O2 sensor upstream of TWC Engine 112, 113, 119, 120
G3/5
Left O2 sensor downstream of TWC Engine 112, 113, 119, 120 (USA) and EURO3/4
G3/6
Right O2 sensor downstream of TWC Engine 112, 113, 119, 120 (USA) and EURO3/4
K1/2
Overvoltage protection relay Model 124, 202 up to 7/96
K40
Relay module model 170, 210 up to 2/97
K40/4
Fuse and relay module Model 202 as of 8/96, 210 as of 3/97
K40/7
Right fuse and relay module Model 215, 220 (K40/4 in Model 230)
L5
Crankshaft position sensor
N3/4
HFM-SFI [HFM] control unit
N3/10
ME-SFI control unit
N10/1
Front SAM control unit with fuse and relay module Model 203
N16/1
Base module, model 129, 140
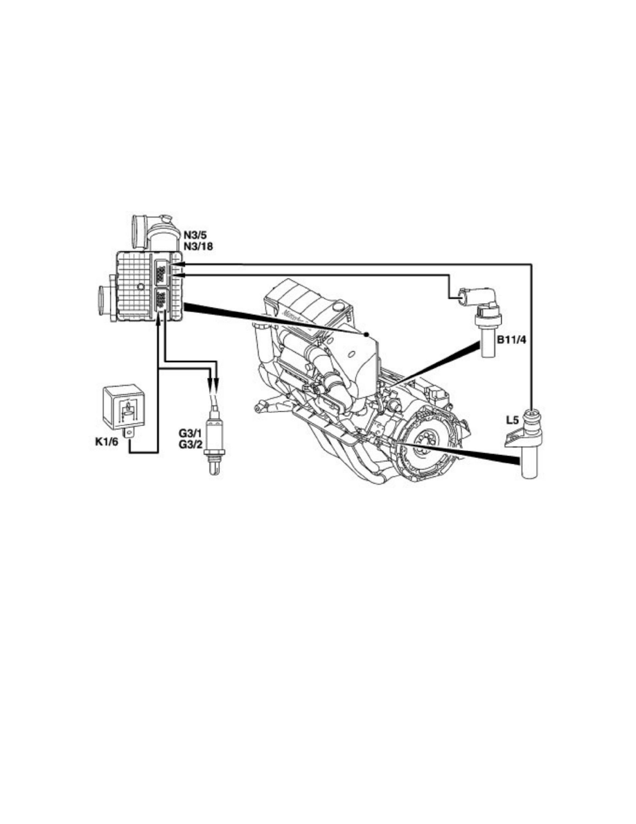
The engine shown is engine 166
B11/4
Coolant temperature sensor
G3/1
O2 sensor downstream of TWC (low emission EURO3/D4)
G3/2
O2 sensor upstream of TWC
K1/6
Electronics relay
L5
Crankshaft position sensor
N3/5
ECM control unit (up to 08/01)
N3/18
ECM control unit with throttle valve actuator (as of 09/01)
The purpose of the O2 sensor heater is to rapidly heat up the O2 sensors to their operating temperature while preventing damage to the sensor ceramic as
a result of controlled heating power.
The sensor heater is actuated by the engine control unit through ground. The performance of the sensor heater at operating temperature amounts to:
18 w on Engine 104, 111, 119, 120 and 112, 113 with ME2.0
12 w on Engine 166 .
7 W on Engine 137, engine 111EVO and 112, 113 with ME 2.8 as of 06/00
The voltage for the sensor heater is supplied by the:
- Overvoltage protection relay model 124, 202 up to 7/96
- Relay module, Model 170, Model 210 up to 2/97
- Base module, Model 129, 140
- Fuse and relay module, model 202 as of 8/96, model 210 as of 3/97, model 163 designation F1
- Electronics relay, Model 166
- Right fuse and relay module (K40/7), Model 215, 220
- Right fuse and relay module (K40/4), Model 230
