Mariner 4WD L4-2.5L Hybrid (2009)
Seat Back: Removal and Replacement
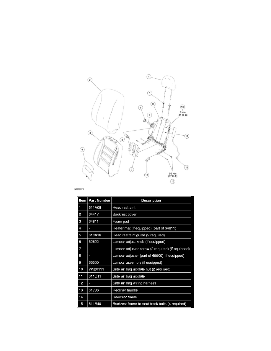
Seat - Exploded View, Front
Seat - Exploded View, Front
Seat Backrest - Front
NOTE: Driver seat shown, passenger seat similar.
Seat Cushion - Driver
NOTE: Power seat track shown, manual seat track similar.
