Milan AWD L4-2.3L (2008)
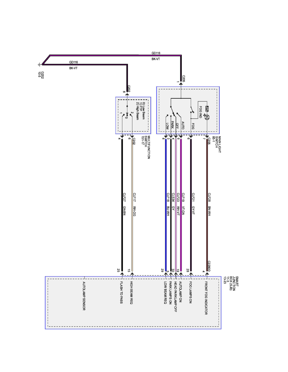
Daytime Running Lamp: Electrical Diagrams
PLEASE NOTE: Some diagrams may appear to be missing because of gaps in the number sequences. These "gaps" are actually for diagrams that do not
apply to the vehicle model selected.
97-1
