mercury Workshop Repair Guides

Mercury Workshop Service and Repair Manuals

Rear Wiper Down Relay|Page 12510 > < Blower Motor - Burning Odor/Smoke/Rustling Noise|Page 12505
Page 1
background image

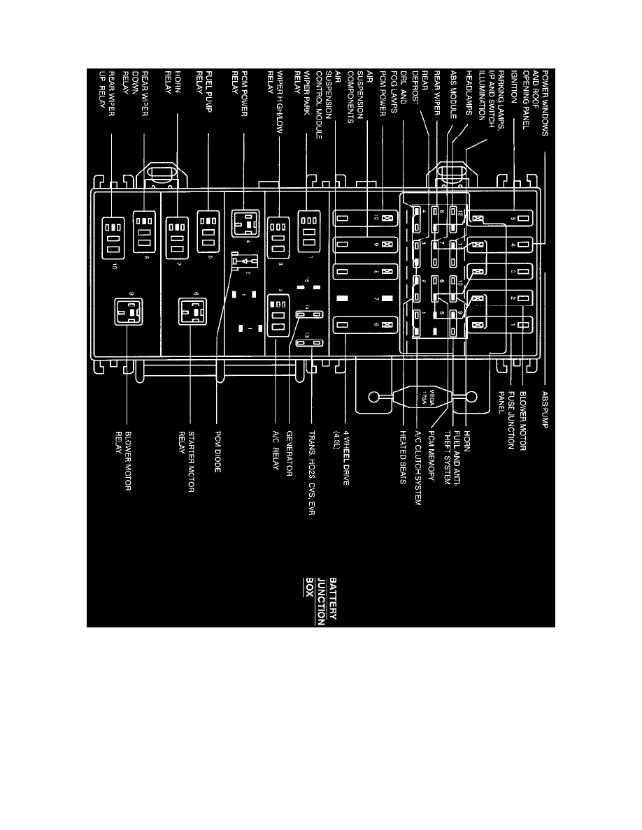
Wiper Relay: Locations
Rear Wiper Down Relay

The Rear Wiper Down Relay is located in the power distribution box.

Rear Wiper Down Relay|Page 12510 > < Blower Motor - Burning Odor/Smoke/Rustling Noise|Page 12505