Mini Workshop Service and Repair Manuals
HOME
FEATURES
MENU
INDEX
ABOUT US
Diagram Information and Instructions|Page 1973 >
< Diagram Information and Instructions|Page 1971
Cooper Convertible (R57) L4-1.6L (N12) (2009)
Maintenance
Fuses and Circuit Breakers / Fuse / Component Information
Diagrams / Diagram Information and Instructions
Page 1972
Page 116
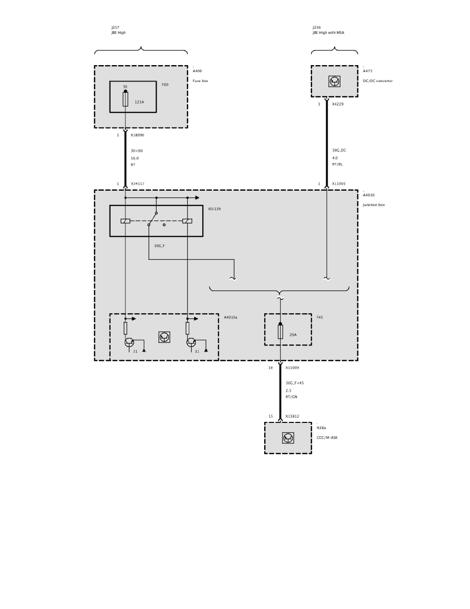
Fuse F46 (Up to 12/08)
Fuse F46 (Up to 12/08)
Maintenance
Fuses and Circuit Breakers / Fuse / Component Information
Diagrams / Diagram Information and Instructions
Page 1972
Diagram Information and Instructions|Page 1973 >
< Diagram Information and Instructions|Page 1971