Mini Workshop Service and Repair Manuals
HOME
FEATURES
MENU
INDEX
ABOUT US
Diagram Information and Instructions|Page 5757 >
< Diagram Information and Instructions|Page 5755
Cooper Convertible (R57) L4-1.6L (N12) (2009)
Power and Ground Distribution
Fuse / Component Information
Diagrams / Diagram Information and Instructions
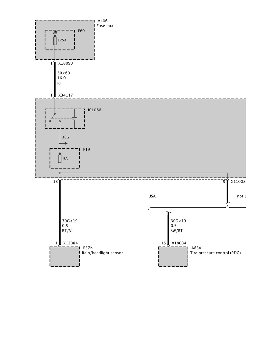
Page 5756
Page 57
Part 1
Power and Ground Distribution
Fuse / Component Information
Diagrams / Diagram Information and Instructions
Page 5756
Diagram Information and Instructions|Page 5757 >
< Diagram Information and Instructions|Page 5755