mini Workshop Repair Guides

Mini Workshop Service and Repair Manuals

Diagram Information and Instructions|Page 5788 > < Diagram Information and Instructions|Page 5786
Page 88
background image

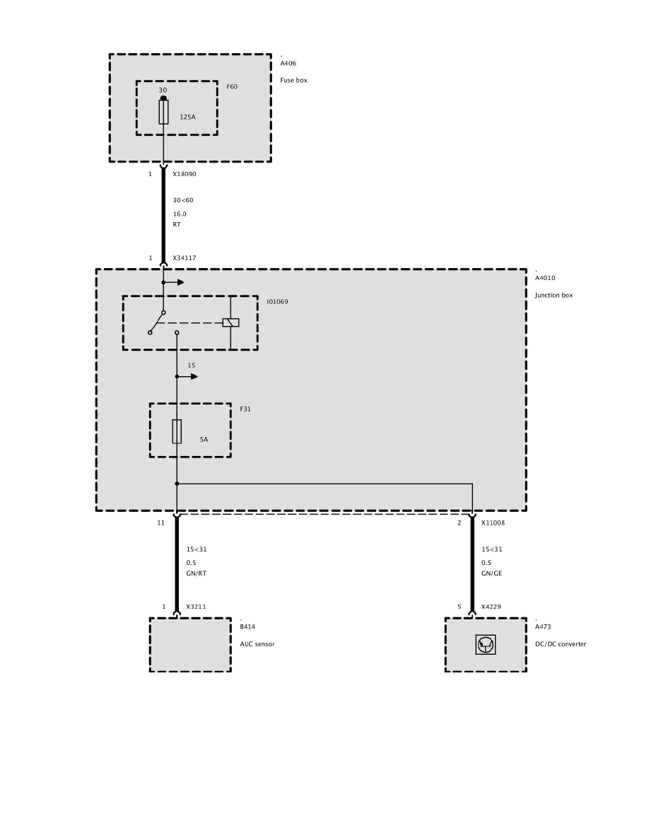
Fuse F31 ((N12 Engine or N14 Engine) As of 12/08)

Fuse F31 ((N12 Engine or N14 Engine) As of 12/08)

Diagram Information and Instructions|Page 5788 > < Diagram Information and Instructions|Page 5786