Mini Workshop Service and Repair Manuals
HOME
FEATURES
MENU
INDEX
ABOUT US
Diagram Information and Instructions|Page 5816 >
< Diagram Information and Instructions|Page 5814
Cooper Convertible (R57) L4-1.6L (N12) (2009)
Power and Ground Distribution
Fuse / Component Information
Diagrams / Diagram Information and Instructions
Page 5815
Page 116
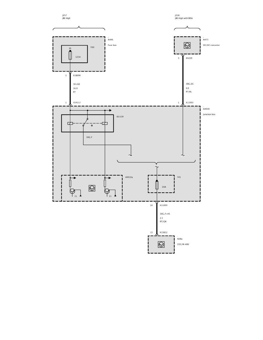
Fuse F46 (Up to 12/08)
Fuse F46 (Up to 12/08)
Power and Ground Distribution
Fuse / Component Information
Diagrams / Diagram Information and Instructions
Page 5815
Diagram Information and Instructions|Page 5816 >
< Diagram Information and Instructions|Page 5814