Mini Workshop Service and Repair Manuals
HOME
FEATURES
MENU
INDEX
ABOUT US
Diagram Information and Instructions|Page 2322 >
< Diagram Information and Instructions|Page 2320
Cooper JCW Clubman (R55) L4-1.6L Turbo (N14) (2009)
Maintenance
Fuses and Circuit Breakers / Fuse / Component Information
Diagrams / Diagram Information and Instructions
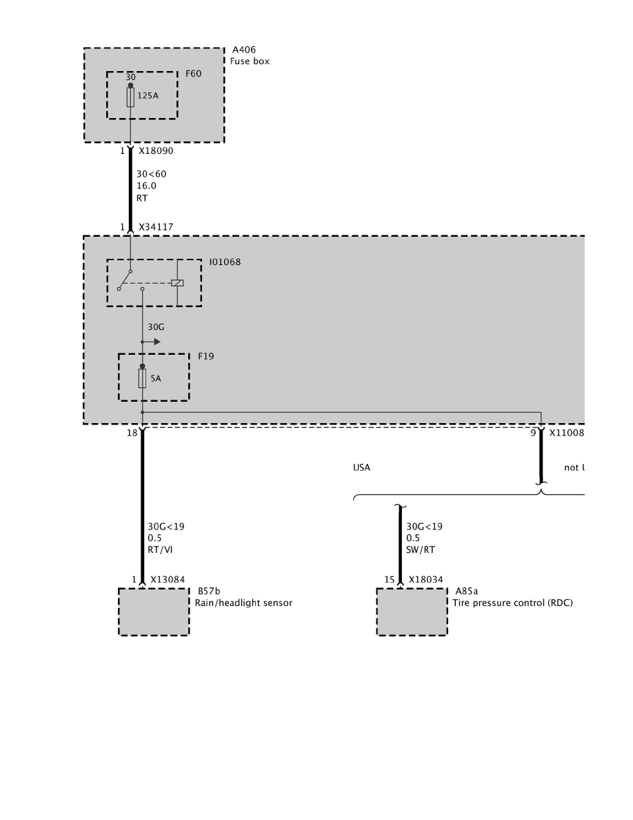
Page 2321
Page 61
Part 1
Maintenance
Fuses and Circuit Breakers / Fuse / Component Information
Diagrams / Diagram Information and Instructions
Page 2321
Diagram Information and Instructions|Page 2322 >
< Diagram Information and Instructions|Page 2320