mini Workshop Repair Guides

Mini Workshop Service and Repair Manuals

Diagram Information and Instructions|Page 2354 > < Diagram Information and Instructions|Page 2352
Page 93
background image

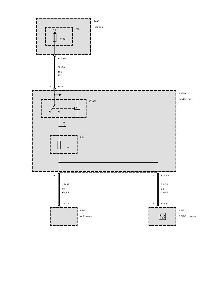
Fuse F31 ((N12 Engine or N14 Engine) As of 12/08)

Fuse F31 ((N12 Engine or N14 Engine) As of 12/08)

Diagram Information and Instructions|Page 2354 > < Diagram Information and Instructions|Page 2352