Mini Workshop Service and Repair Manuals
HOME
FEATURES
MENU
INDEX
ABOUT US
Diagram Information and Instructions|Page 6891 >
< Diagram Information and Instructions|Page 6889
Cooper JCW Clubman (R55) L4-1.6L Turbo (N14) (2009)
Power and Ground Distribution
Fuse / Component Information
Diagrams / Diagram Information and Instructions
Page 6890
Page 100
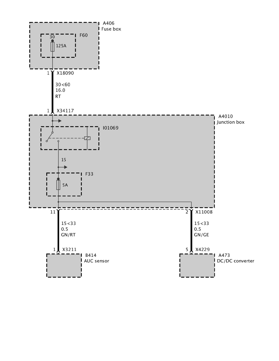
Fuse F34 (Up to 12/08)
Fuse F34 (Up to 12/08)
Power and Ground Distribution
Fuse / Component Information
Diagrams / Diagram Information and Instructions
Page 6890
Diagram Information and Instructions|Page 6891 >
< Diagram Information and Instructions|Page 6889