Mini Workshop Service and Repair Manuals
HOME
FEATURES
MENU
INDEX
ABOUT US
Diagram Information and Instructions|Page 9174 >
< Diagram Information and Instructions|Page 9172
Cooper S Clubman (R55) L4-1.6L Turbo (N14) (2008)
Power and Ground Distribution
Fuse / Component Information
Diagrams / Diagram Information and Instructions
Page 9173
Page 76
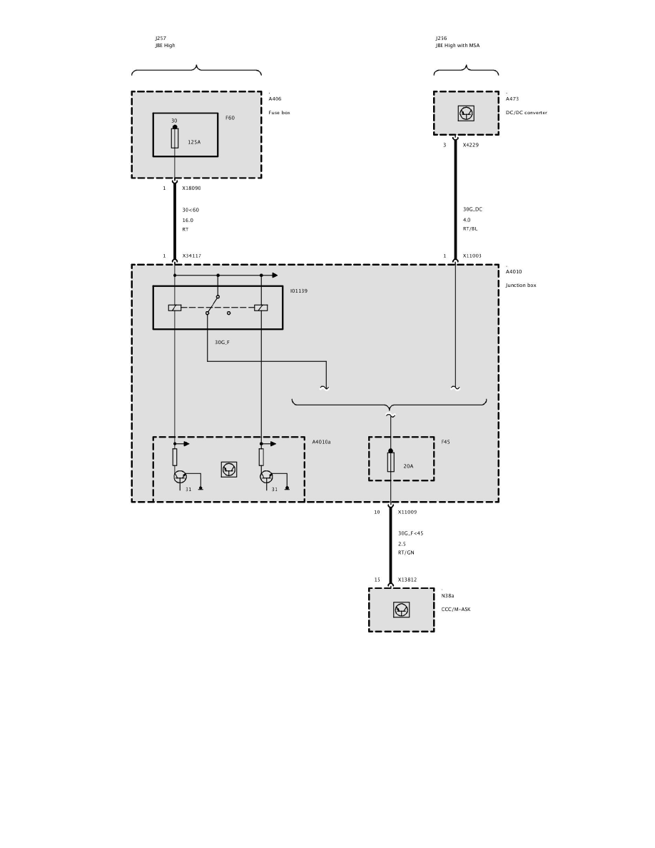
F46
Fuse F46 (Up to 12/08)
Power and Ground Distribution
Fuse / Component Information
Diagrams / Diagram Information and Instructions
Page 9173
Diagram Information and Instructions|Page 9174 >
< Diagram Information and Instructions|Page 9172