mini Workshop Repair Guides

Mini Workshop Service and Repair Manuals

Diagram Information and Instructions|Page 7574 > < Diagram Information and Instructions|Page 7572
Page 56
background image

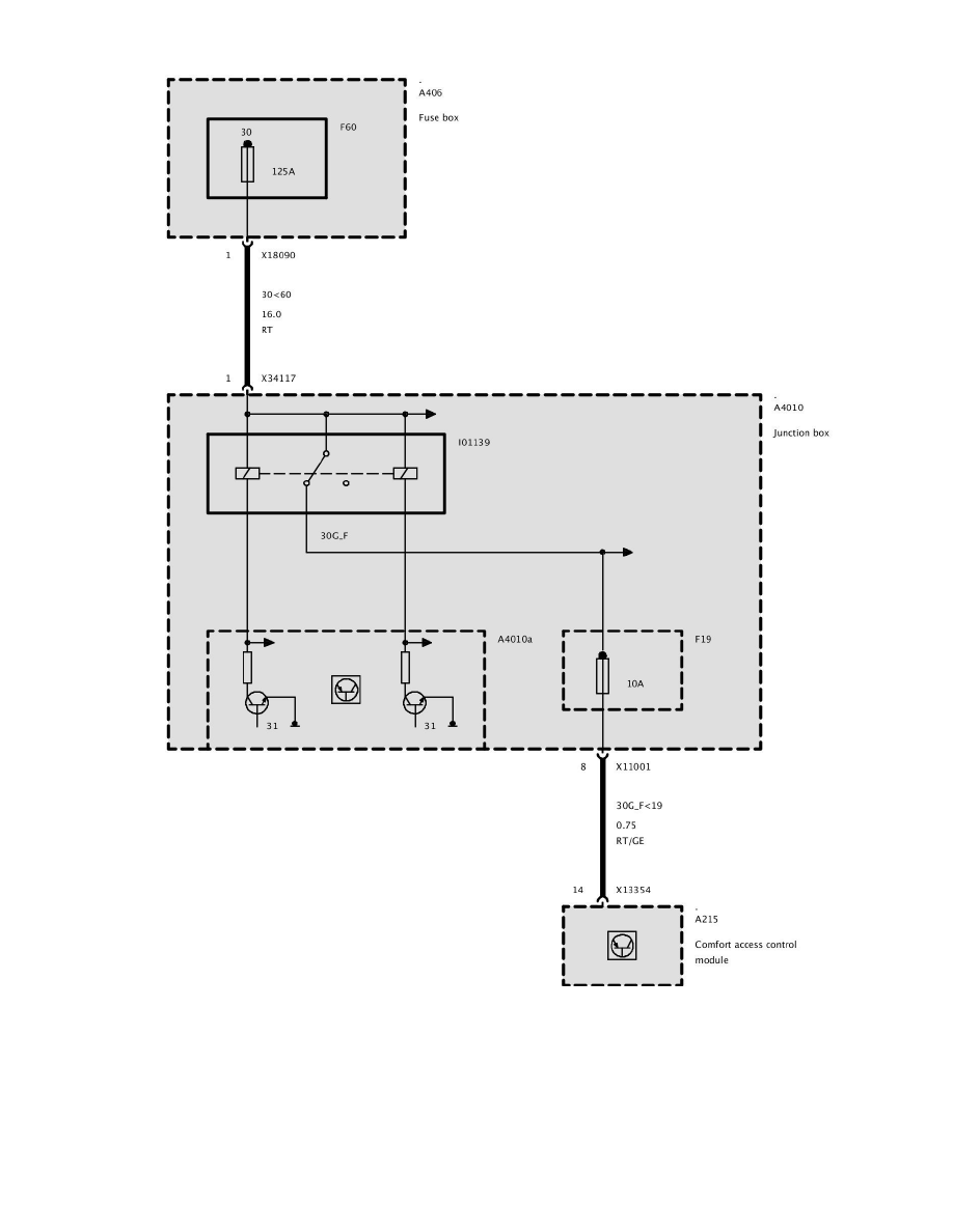
Fuse F19 (Without EGS Electronic Transmission Control As of 12/08)

Fuse F19 (Without EGS Electronic Transmission Control As of 12/08)

Diagram Information and Instructions|Page 7574 > < Diagram Information and Instructions|Page 7572