Mini Workshop Service and Repair Manuals
HOME
FEATURES
MENU
INDEX
ABOUT US
Diagram Information and Instructions|Page 7608 >
< Diagram Information and Instructions|Page 7606
Cooper S Convertible (R57) L4-1.6L Turbo (N14) (2009)
Starting and Charging
Power and Ground Distribution
Fuse / Component Information
Diagrams / Diagram Information and Instructions
Page 7607
Page 90
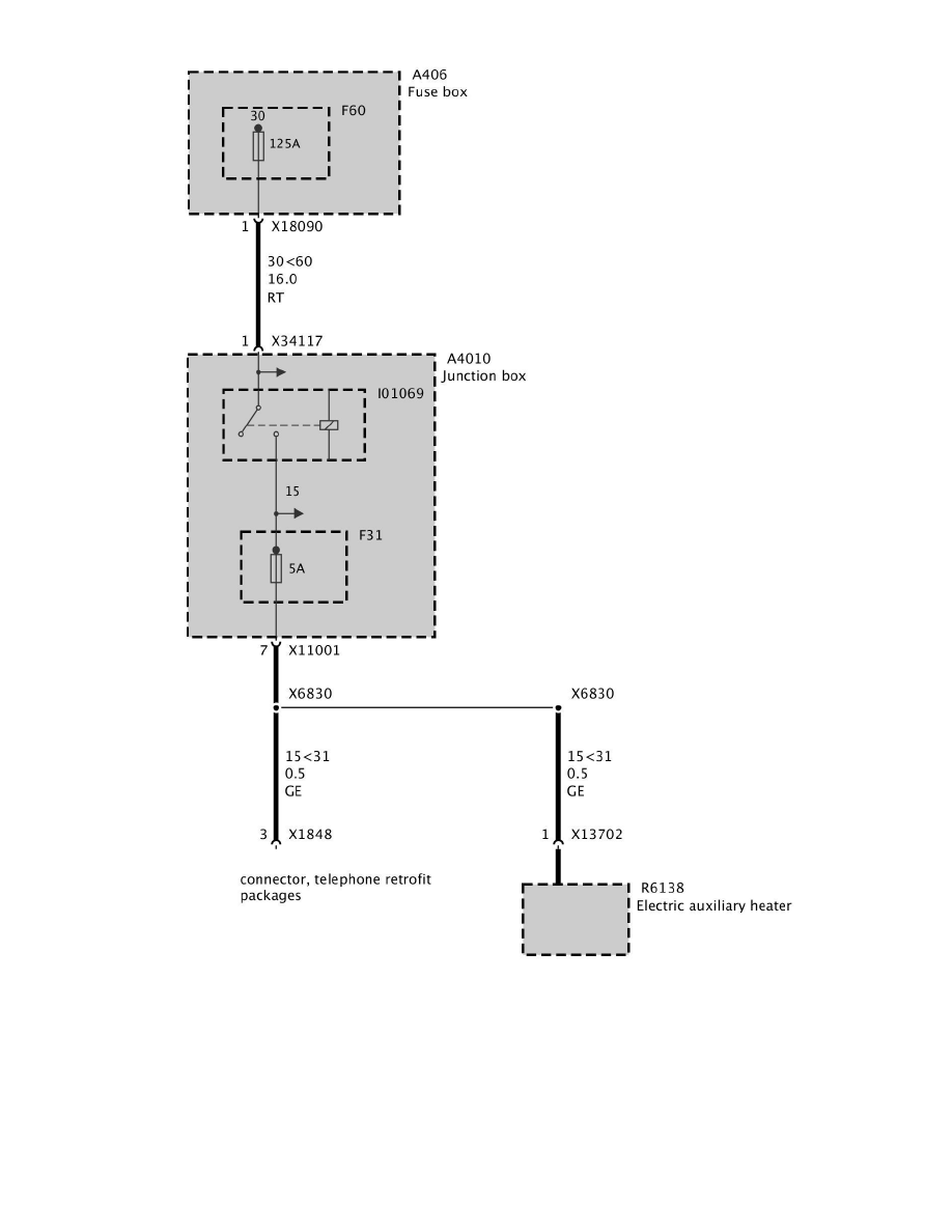
Fuse F32 (Up to 12/08)
Fuse F32 (Up to 12/08)
Starting and Charging
Power and Ground Distribution
Fuse / Component Information
Diagrams / Diagram Information and Instructions
Page 7607
Diagram Information and Instructions|Page 7608 >
< Diagram Information and Instructions|Page 7606