Mitsubishi Workshop Service and Repair Manuals
HOME
FEATURES
MENU
INDEX
ABOUT US
Transmission and Drivetrain >
< Diagram Information and Instructions|Page 1202
Pickup 2WD L4-155 2555cc 2.6L SOHC VIN E 2-bbl (1988)
Powertrain Management
Transmission Control Systems / Relays and Modules - Transmission and Drivetrain / Relays and Modules - Transfer Case / Control Module, Transfer Case / Diagrams / Diagram Information and Instructions
Page 1203
Page 1
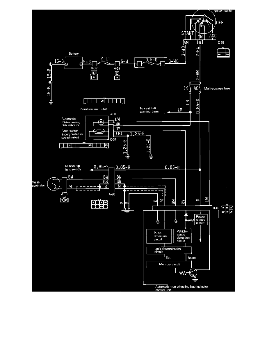
Fig. 31 Automatic Free-Wheeling Hub Wiring
Powertrain Management
Transmission Control Systems / Relays and Modules - Transmission and Drivetrain / Relays and Modules - Transfer Case / Control Module, Transfer Case / Diagrams / Diagram Information and Instructions
Page 1203
Transmission and Drivetrain >
< Diagram Information and Instructions|Page 1202