Nissan and Datsun Workshop Service and Repair Manuals
HOME
FEATURES
MENU
INDEX
ABOUT US
Multiple Systems - Manual Corrections|Page 6276 >
< Multiple Systems - Manual Corrections|Page 6274
300ZX V6-2960cc DOHC (VG30DE) (1990)
Steering and Suspension
Alignment / System Information / Technical Service Bulletins
All Technical Service Bulletins for Alignment:
AM89031 / Nov / 89 / Multiple Systems - Manual Corrections
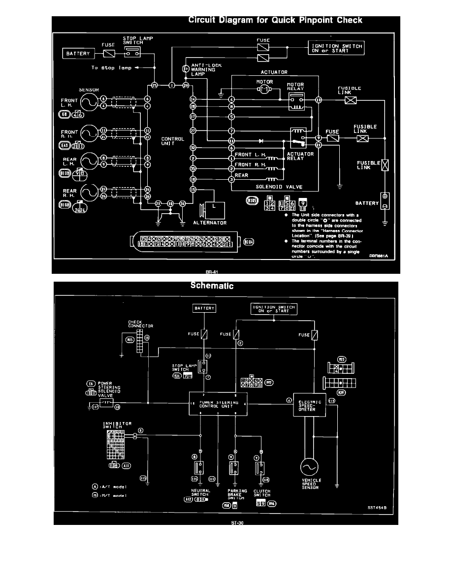
Page 6275
Page 41
Steering and Suspension
Alignment / System Information / Technical Service Bulletins
All Technical Service Bulletins for Alignment:
AM89031 / Nov / 89 / Multiple Systems - Manual Corrections
Page 6275
Multiple Systems - Manual Corrections|Page 6276 >
< Multiple Systems - Manual Corrections|Page 6274