Nissan and Datsun Workshop Service and Repair Manuals
HOME
FEATURES
MENU
INDEX
ABOUT US
Diagram Information and Instructions|Page 2012 >
< Diagram Information and Instructions|Page 2010
Frontier XE King Cab 2WD L4-2.4L (KA24DE) (2000)
Maintenance
Service Reminder Indicators
Malfunction Indicator Lamp / Diagrams / Diagram Information and Instructions
Page 2011
Page 1
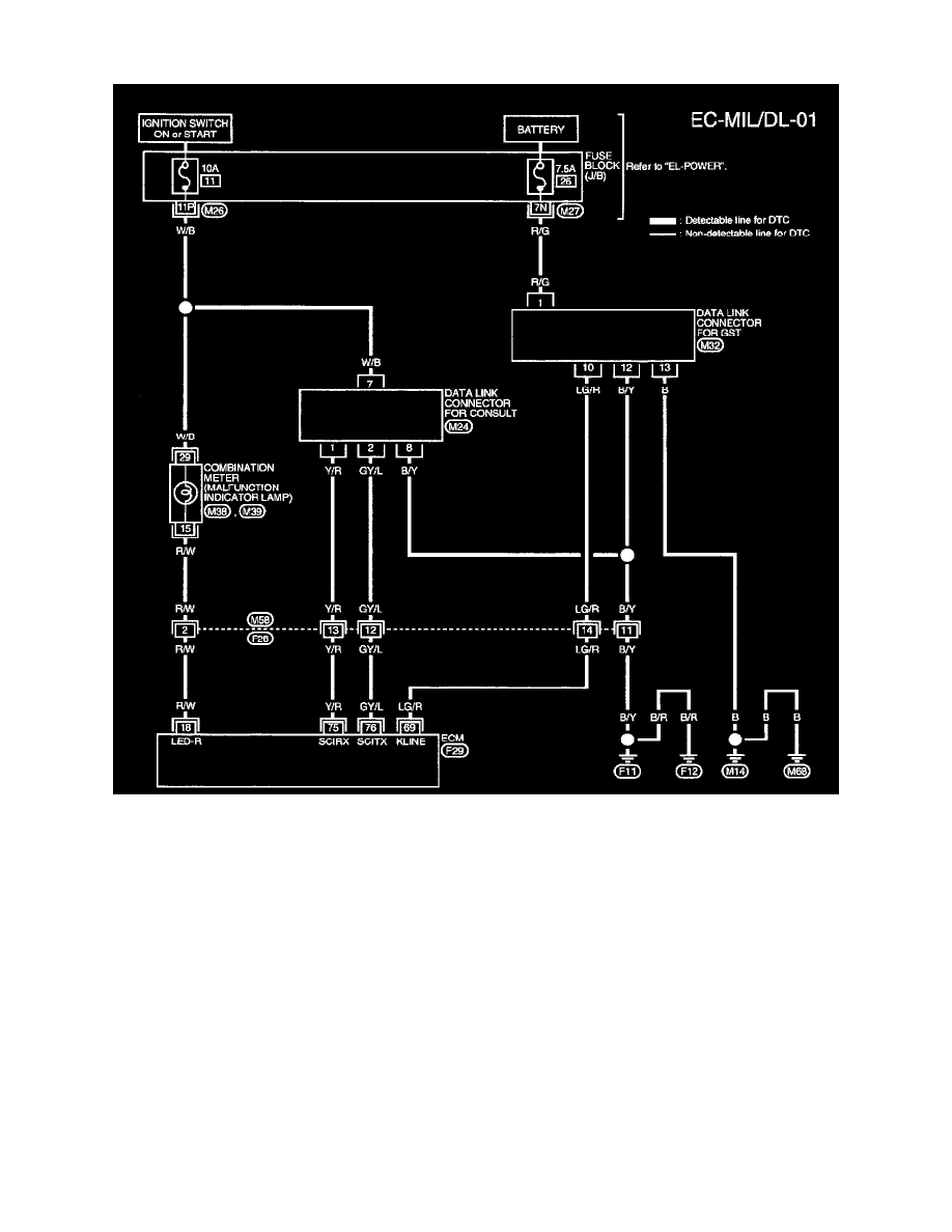
Malfunction Indicator Lamp: Electrical Diagrams
EC-MIL/DL-01
Maintenance
Service Reminder Indicators
Malfunction Indicator Lamp / Diagrams / Diagram Information and Instructions
Page 2011
Diagram Information and Instructions|Page 2012 >
< Diagram Information and Instructions|Page 2010