Plymouth Workshop Service and Repair Manuals
HOME
FEATURES
MENU
INDEX
ABOUT US
Diagram Information and Instructions|Page 1057 >
< Diagram Information and Instructions|Page 1055
Neon L4-122 2.0L DOHC VIN Y SFI (1998)
Maintenance
Fuses and Circuit Breakers / Fuse / Component Information
Diagrams / Diagram Information and Instructions
Page 1056
Page 5
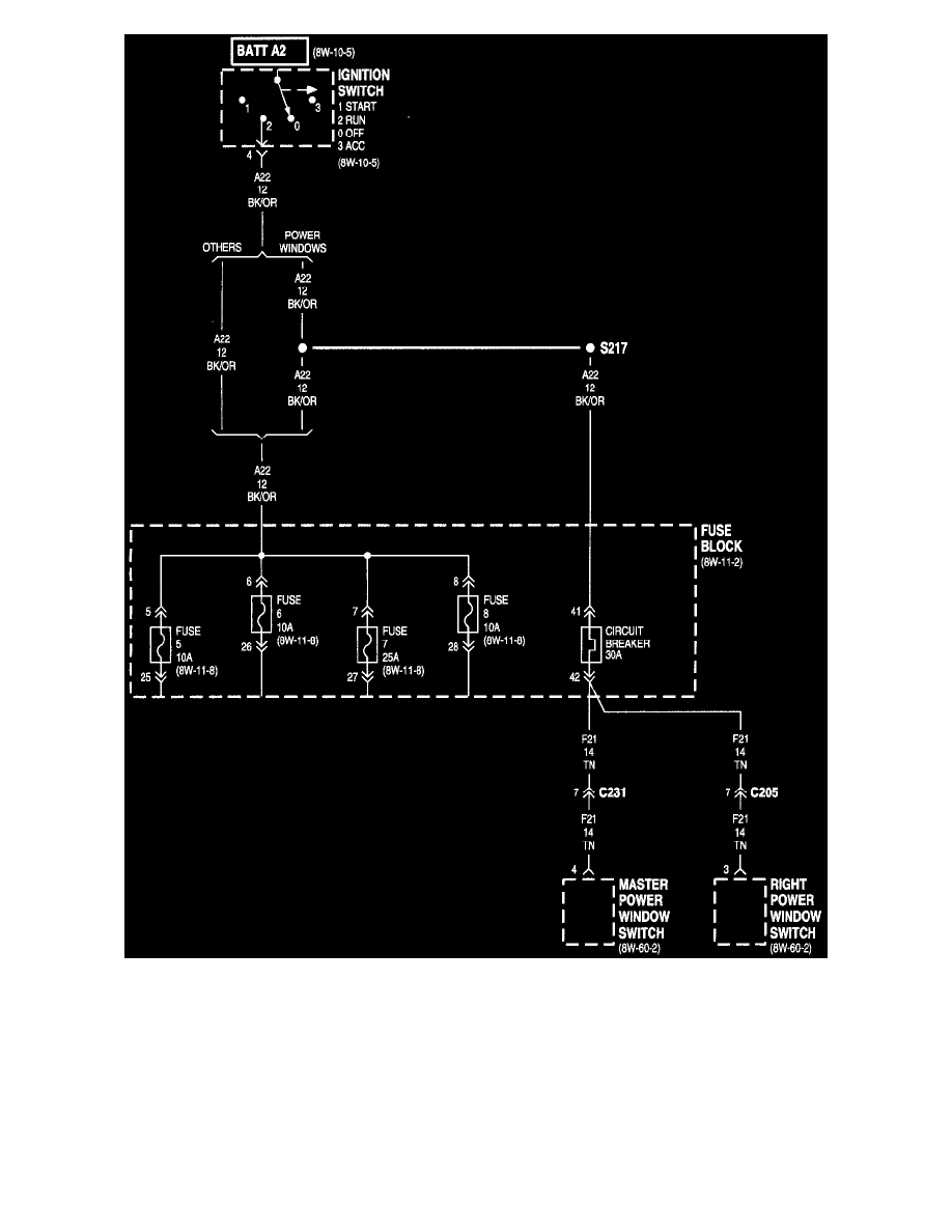
Fuse/Fuse Block (Part 4 Of 11)
Maintenance
Fuses and Circuit Breakers / Fuse / Component Information
Diagrams / Diagram Information and Instructions
Page 1056
Diagram Information and Instructions|Page 1057 >
< Diagram Information and Instructions|Page 1055