Plymouth Workshop Service and Repair Manuals
HOME
FEATURES
MENU
INDEX
ABOUT US
Diagram Information and Instructions|Page 8895 >
< Diagram Information and Instructions|Page 8893
Voyager V6-201 3.3L VIN R SMFI (1997)
Body and Frame
Body Control Systems / Body Control Module / Component Information
Diagrams / Diagram Information and Instructions
Page 8894
Page 7
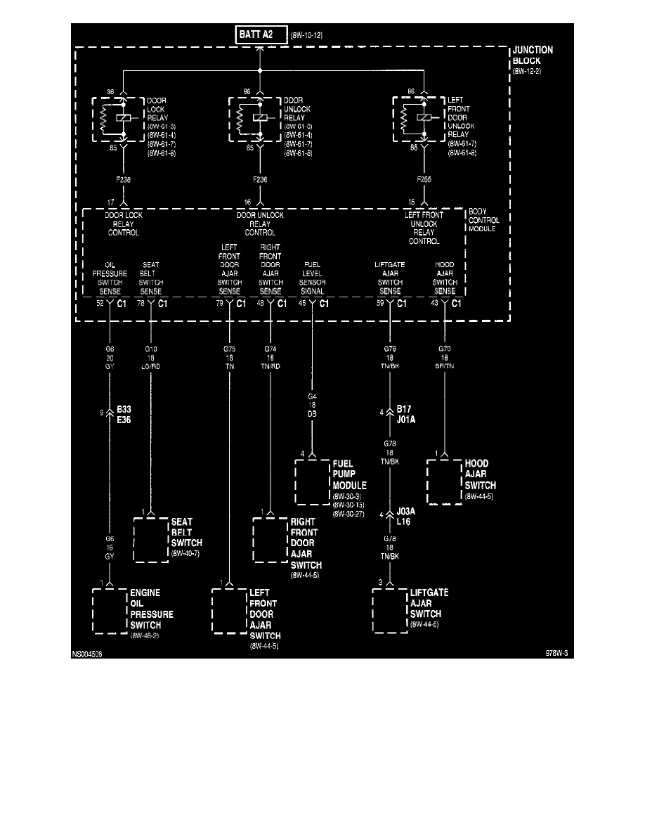
Body Control Module (Part 6 Of 7)
Body and Frame
Body Control Systems / Body Control Module / Component Information
Diagrams / Diagram Information and Instructions
Page 8894
Diagram Information and Instructions|Page 8895 >
< Diagram Information and Instructions|Page 8893