Pontiac Workshop Service and Repair Manuals
HOME
FEATURES
MENU
INDEX
ABOUT US
Power and Ground Distribution|Diode >
< Diagram Information and Instructions|Page 6293
6000 V6-173 2.8L (1988)
Starting and Charging
Power and Ground Distribution / Circuit Breaker / Diagrams / Diagram Information and Instructions
Page 6294
Page 2
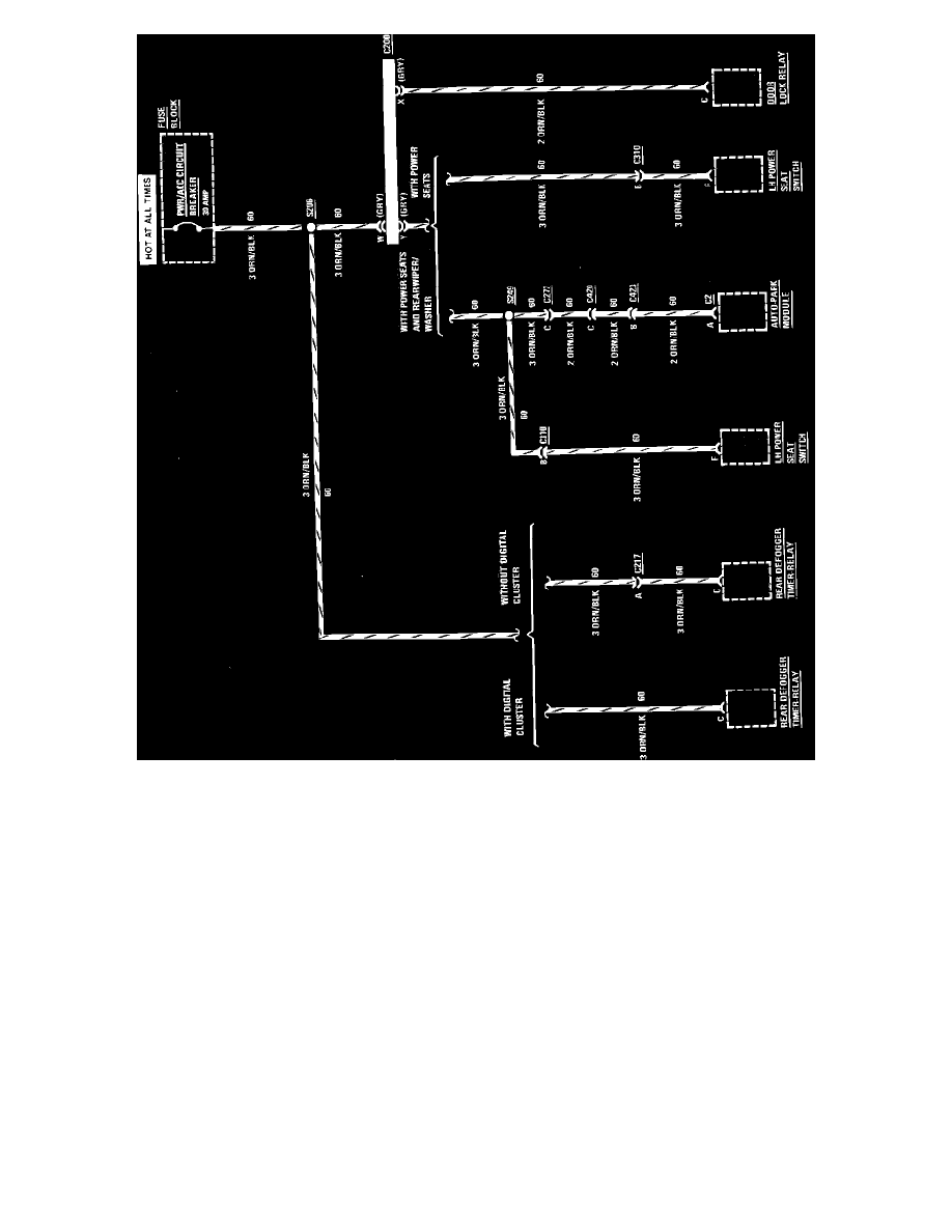
Fuse Block Details (Power Accessory Circuit Breaker)
Starting and Charging
Power and Ground Distribution / Circuit Breaker / Diagrams / Diagram Information and Instructions
Page 6294
Power and Ground Distribution|Diode >
< Diagram Information and Instructions|Page 6293