Saab Workshop Service and Repair Manuals
HOME
FEATURES
MENU
INDEX
ABOUT US
Diagram Information and Instructions|Page 4363 >
< Diagram Information and Instructions|Page 4361
9000 CSE V6-2962cc 3.0L DOHC (B308) (1996)
Steering and Suspension
Steering
Steering Column
Key Reminder Switch / Component Information
Diagrams / Diagram Information and Instructions
Page 4362
Page 6
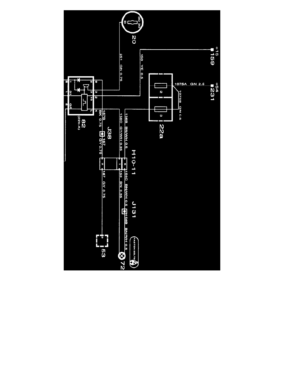
Seat Belt Warning With Buzzer And Ignition Key Warning
WIRING DIAGRAM
Steering and Suspension
Steering
Steering Column
Key Reminder Switch / Component Information
Diagrams / Diagram Information and Instructions
Page 4362
Diagram Information and Instructions|Page 4363 >
< Diagram Information and Instructions|Page 4361