Saab Workshop Service and Repair Manuals
HOME
FEATURES
MENU
INDEX
ABOUT US
Component Locations|Page 2600 >
< Component Locations
900 S Convertible L4-2290cc 2.3L DOHC EFI (1997)
Powertrain Management
Computers and Control Systems
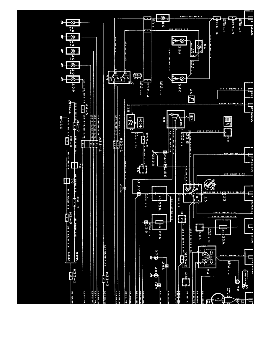
Relays and Modules - Computers and Control Systems / Integrated Central Electronics (ICE) Control Module <--> [Body Control Module] / Component Locations
Page 2599
Page 2
Powertrain Management
Computers and Control Systems
Relays and Modules - Computers and Control Systems / Integrated Central Electronics (ICE) Control Module <--> [Body Control Module] / Component Locations
Page 2599
Component Locations|Page 2600 >
< Component Locations