xD L4-1.8L (2ZR-FE) (2008)
Brake Light Switch: Service and Repair
Installation
LIGHTING: STOP LIGHT SWITCH: INSTALLATION
INSTALLATION
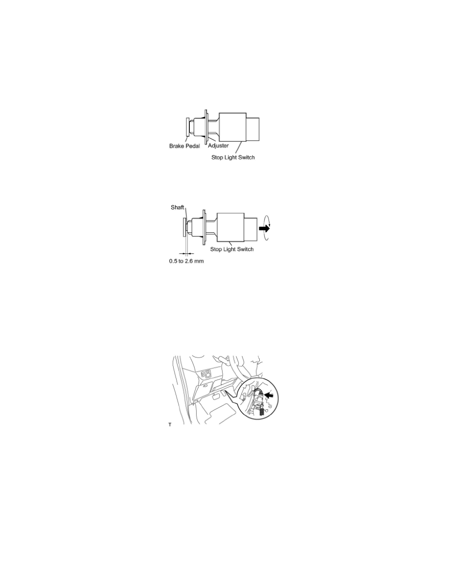
1. INSTALL STOP LIGHT SWITCH
(a) Install the stop light switch into the adjuster until it slightly touches the brake pedal.
NOTE: Do not depress the brake pedal.
(1) Make a quarter turn clockwise to install the stop light switch.
NOTE: Do not depress the brake pedal.
HINT: The turning torque for installing the stop light switch is as below.
Torque: 1.5 Nm (15 kgf-cm, 13 in-lbf)
(b) Check the stop light switch clearance.
Stop light switch clearance:
0.5 to 2.6 mm (0.020 to 0.102 in.)
(c) Connect the stop light switch connector to the stop light switch.
2. INSTALL INSTRUMENT PANEL UNDER COVER SUB-ASSEMBLY LH See: Body and Frame/Interior Moulding / Trim/Headliner/Service
and Repair/Installation
